Каталог запасных частей к технике: Алтайдизель А-41. Установка электрооборудования и приборов

Установка электрооборудования и приборов

zoom-in zoom-out enlarge shrink circle-right circle-left file-text2 info cart
1
2
3
4
5
6
7
8
9
10
11
12
13
14
15
16
17
Изображение Артикул товара Наименование Наличие Единица измерения Количество Цена Корзина
1
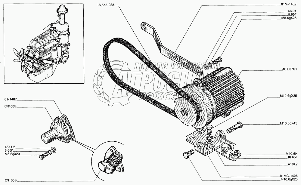
01-1407 Прокладка Под заказ -
2
А8 Шайба Под заказ -
3
А6Х1 Шайба Под заказ -
4
А10Х2 Шайба Под заказ -
5
8.65Г Шайба Под заказ -
6
6.65Г Шайба пружинная Под заказ -
7
10.65Г Шайба Под заказ -
8
СЧ100Б Счетчик моточасов Под заказ -
9
1-8,5Х8-933 Ремень Под заказ -
10
М10.6gХ25 Болт Под заказ -
11
01М-1409 Натяжитель Под заказ шт 112 ₽112 ₽
12
01МС-1406 Кронштейн генератора Под заказ шт 175 ₽175 ₽
13
461.3701 Генератор Под заказ -
14
М10.6Н Гайка Под заказ -
15
М8.6gХ25 Болт Под заказ -
16
М6.6gХ20 Болт Под заказ -
17
М10.6gХ45 Болт Под заказ -
Содержащиеся в справочниках-каталогах запасные части и детали не предлагаются к продаже, а носят исключительно информационный характер


Наши преимущества