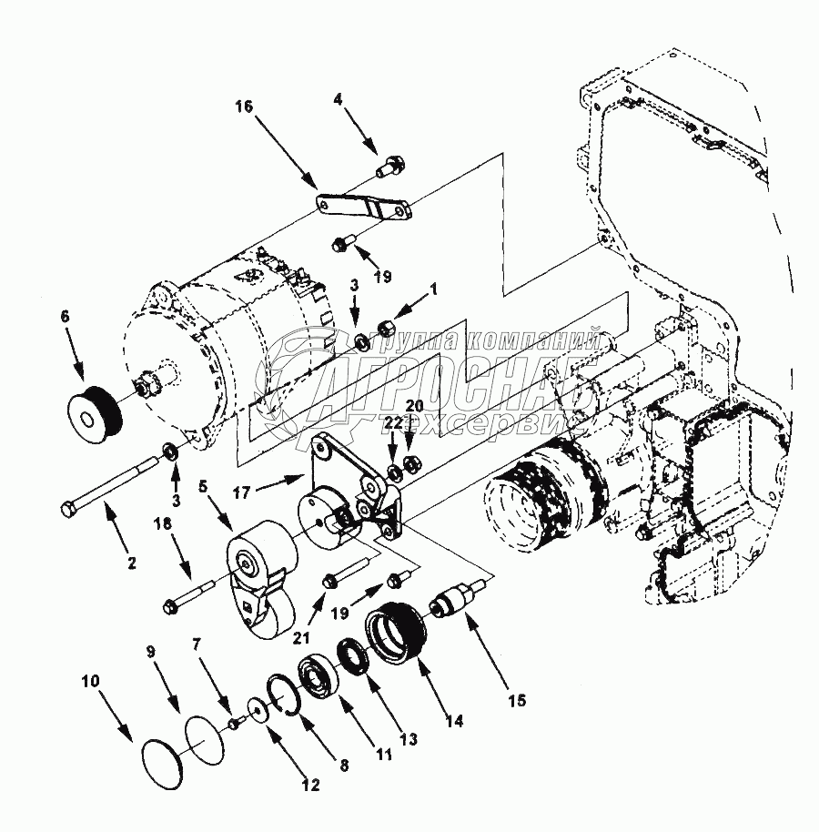
Каталог запасных частей к технике: Cummins QSX-15 I. EH1083 Alternator Mounting

EH1083 Alternator Mounting

zoom-in zoom-out enlarge shrink circle-right circle-left file-text2 info cart
1
2
3
3
4
5
6
6
7
8
Изображение Артикул товара Наименование Наличие Единица измерения Количество Цена Корзина
1
70897 NUT, LOCK Под заказ -
2
4022822 Screw, Hexagon Head Cap Под заказ -
3
3895517 Washer, Plain Под заказ -
4
S107 NUT, REGULAR HEXAGON Под заказ -
5
S16255 RING, RETAINING Под заказ -
6
3902460 Винт с шестигранной головкой Под заказ -
7
3903210 Гайка шестигранного фланца Под заказ -
8
3904446 Screw, Hex Flange Head Cap Под заказ -
Содержащиеся в справочниках-каталогах запасные части и детали не предлагаются к продаже, а носят исключительно информационный характер


Наши преимущества