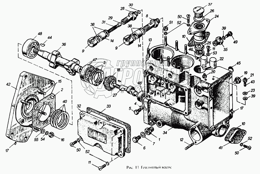
Каталог запасных частей к технике: ММЗ Д-265. Топливный насос

Топливный насос

zoom-in zoom-out enlarge shrink circle-right circle-left file-text2 info cart
2
3
4
5
6
7
8
9
10
11
12
13
14
15
16
17
18
19
20
21
22
23
24
25
26
27
28
29
30
31
32
33
34
35
36
37
38
39
40
41
42
43
44
45
46
47
48
49
50
51
52
53
54
55
56
57
58
Изображение Артикул товара Наименование Наличие Единица измерения Количество Цена Корзина
1
26.1111003 Топливный насос Под заказ -
2
21.1111026 Втулка резьбовая Под заказ -
3
21.1111076-01 Прокладка уплотнительная Под заказ -
4
21.1111078-01 Прокладка регулировочная Под заказ -
5
21.1111126-06 Шайба стопорная Под заказ -
6
21.1111127-07 Винт установочный толкателя Под заказ -
7
21.1111207 Пробка уровня масла Под заказ -
8
21.1111211-01 Прокладка Под заказ -
9
21.1111246 Шпилька штуцера подвода топлива Под заказ -
10
21.1111248 Гайка штуцера подвода топлива Под заказ -
11
21.1111304 Прокладка Под заказ -
12
21.1111349 Винт Под заказ -
13
21.1111355 Шпилька Под заказ -
14
21.1111356 Шпилька Под заказ -
15
21.1111378 Заглушка транспортная Под заказ -
16
21.1111383-01 Шпилька крепления топливного насоса Под заказ -
17
21.1111389 Гайка Под заказ -
18
21.1110042 Штифт (допускается штифт 5h8х10) Под заказ -
19
21.1110064 Шестерня ведущая Под заказ -
20
21.1110188 Пробка Под заказ -
21
21.1110361 Винт регулировочный Под заказ -
22
21.1110362 Гайка Под заказ -
23
21.1110363 Колпачок Под заказ -
24
21.1110365 Шайба Под заказ -
25
21.1110504-10 Крышка верхняя регулятора Под заказ -
26
21.1110512 Лимб Под заказ -
27
21.1110513 Прокладка Под заказ -
28
21.1106341 Вал привода топливоподкачивающего насоса Под заказ -
29
21.1106424 Корпус демпфера Под заказ -
30
21.1106425 Поршень Под заказ -
31
21.1106426 Кольцо стопорное Под заказ -
32
21.1106427 Пружина демпфера Под заказ -
33
22.1111100-10 Крышка боковая с табличкой Под заказ -
34
22.1111106 Прокладка боковой крышки насоса Под заказ -
35
26.1111025 Корпус насоса Под заказ -
36
26.1111026 Втулка резьбовая Под заказ -
37
26.1111055 Вал кулачковый Под заказ -
38
26.1110297 Пробка Под заказ -
39
36-1104788-01 Прокладка Под заказ -
40
48.1110369 Кольцо уплотнительное Под заказ -
41
54.1111078 Прокладка регулировочная Под заказ -
42
54.1111078-01 Прокладка регулировочная Под заказ -
43
54.1111078-02 Прокладка регулировочная Под заказ -
44
54.1111301 Крышка привода Под заказ -
45
54.1111381-60 Фланец установочный Под заказ -
46
54.1110361 Винт регулировочный Под заказ -
47
4Х6,5 Шпонка Под заказ -
48
14-10кл.Хим.Окс.Прм Заглушка Под заказ -
49
29 Подшипник Под заказ -
50
204 Подшипник Под заказ -
51
304 Подшипник Под заказ шт 170 ₽170 ₽
51
304 Подшипник Под заказ шт 0 ₽
52
М6Х14.88.016 Болт Под заказ -
53
М6Х18.88.016 Винт Под заказ -
54
М6.8.016 Гайка Под заказ -
55
6.65Г.05 Шайба Под заказ -
56
6.04.016 Шайба Под заказ -
57
8.65Г.05 Шайба Под заказ -
58
8Х2,5.06.016 Шайба Под заказ -
Содержащиеся в справочниках-каталогах запасные части и детали не предлагаются к продаже, а носят исключительно информационный характер


Наши преимущества