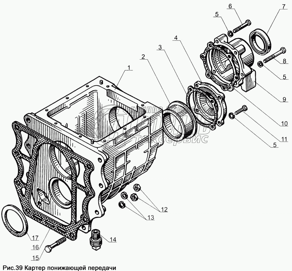
Каталог запасных частей к технике: ЯМЗ-238Д и Б. Картер понижающей передачи

Картер понижающей передачи

zoom-in zoom-out enlarge shrink circle-right circle-left file-text2 info cart
1
2
3
4
5
5
5
6
7
8
9
10
11
12
13
14
15
16
17
Изображение Артикул товара Наименование Наличие Единица измерения Количество Цена Корзина
1
238Н-1721015 Картер понижающей передачи Под заказ -
2
238-1721032 Гнездо заднего подшипника Под заказ -
3
238-1721075 Прокладка крышки Под заказ -
4
238-1721074 Крышка заднего подшипника Под заказ -
5
252137-П2 Шайба пружинная Под заказ шт 21 ₽21 ₽
6
201549-П29 Болт Под заказ -
7
238Н-1721088 Манжета Под заказ -
8
200377-П29 Болт М12 Под заказ -
9
238П-1721205 Крышка подшипников вторичного вала Под заказ -
10
238П-1721203 Прокладка крышки подшипников Под заказ -
11
201542-П29 Болт Под заказ -
12
250553-П29 Гайка Под заказ -
13
252139-П2 Шайба пружинная Под заказ -
14
238Н-1721255-Б Пробка сливного отверстия с магнитом в сборе Под заказ -
15
200890-П29 Болт Под заказ -
16
238-1721250-А Прокладка картера Под заказ -
17
238Н-1721252 Кольцо упорное Под заказ -
Содержащиеся в справочниках-каталогах запасные части и детали не предлагаются к продаже, а носят исключительно информационный характер


Наши преимущества