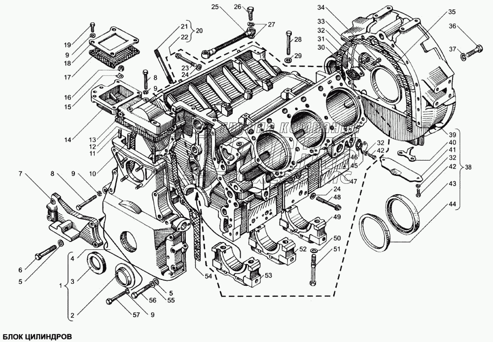
Каталог запасных частей к технике: ЯМЗ-6563.10 (Евро 3). Блок цилиндров

Блок цилиндров

zoom-in zoom-out enlarge shrink circle-right circle-left file-text2 info cart
21
22
23
24
25
26
26
27
28
29
30
30
31
32
31
32
31
32
31
32
31
32
33
34
35
36
37
38
39
40
41
42
43
44
45
46
47
48
49
50
50
51
52
53
54
55
56
57
58
59
60
61
62
63
64
65
65
66
67
68
69
70
71
72
73
74
75
76
77
78
79
80
81
82
83
Изображение Артикул товара Наименование Наличие Единица измерения Количество Цена Корзина
1
262513-П2 Пробка К3/4" Под заказ -
2
7601.1002311 Картер маховика в сборе Под заказ -
3
7601.1002012 Блок цилиндров в сборе Под заказ -
4
112475-П34 Шайба Под заказ -
5
236Н-1002015-Е Блок цилиндров Под заказ -
6
236Н-1002011-Е Блок цилиндров в сборе Под заказ -
7
200461-П29 Болт крепления ТНВД Под заказ шт 0 ₽
8
7511.1003017 Шпилька крепления головки цилиндра М16х209 Под заказ -
9
7511.1003016 Шпилька крепления головки цилиндра М16х249 Под заказ -
10
116101-П Пробка Под заказ -
11
116133-П29 Пробка Под заказ -
12
116169-П2 Пробка К3/8 Под заказ -
13
116121-П29 Пробка К1/4 Под заказ -
14
236-1111620-Б Трубка отвода масла от ТНВД Под заказ -
15
113410-П2 Штифт Под заказ -
16
4598270016 Заглушка 38 Под заказ -
17
236Т-1002284-Б4 Прокладка Под заказ -
18
236-1002286 Сетка прокладки Под заказ -
19
240.1002333 Указатель установки угла опережения впрыскивания топлива Под заказ -
20
316162-П2 Пробка Под заказ -
21
238Б-1002261-Б3 Крышка шестерен распределения в сборе Под заказ -
22
236-1002272 Маслоотражатель крышки шестерен Под заказ -
23
КТТ 64.95.10 Манжета КТТ 64.95.10 Под заказ -
24
201-1005034-Б5 Манжета в сборе Под заказ шт 302 ₽302 ₽
25
238Б-1002264-Д Крышка шестерен распределения Под заказ -
26
252016-П29 Шайба Под заказ шт 25 ₽25 ₽
27
200827-П29 Болт Под заказ -
28
7511.1001020-20 Кронштейн передней опоры Под заказ -
29
236.1001020-А4 Кронштейн передней опоры Под заказ -
30
200325-П29 Болт Под заказ -
31
252136-П2 Шайба 10 пружинная В наличии шт 13 ₽13 ₽
32
252136-П2 Шайба 10 пружинная В наличии шт 13 ₽13 ₽
33
216344-П29 Шпилька Под заказ -
34
216262-П29 Шпилька В наличии шт 82 ₽82 ₽
35
238АК-1002266 Прокладка правая Под заказ шт 38 ₽38 ₽
36
236-1002258-А3 Прокладка верхней крышки блока Под заказ -
37
236-1002255-В4 Крышка блока верхняя в сборе Под заказ шт 3 866 ₽3 866 ₽
38
112534-П2 Шайба замковая Под заказ -
39
250513-П29 Гайка Под заказ -
40
236-1002283-А Прокладка с сеткой в сборе Под заказ -
41
236-1002282-Б Заглушка Под заказ -
42
201499-П29 Болт 10-6gх30 Под заказ -
43
656.1002012-20 Блок цилиндров в сборе Под заказ -
44
656.1002012-10 Блок цилиндров в сборе Под заказ -
45
7511.1003016-20 Шпилька крепления головки цилиндров L=205 мм Под заказ -
46
7511.1003017-10 Шпилька крепления головки цилиндра L=245 мм Под заказ -
47
656.1002011-30 Блок цилиндров в сборе Под заказ -
48
656.1002011-50 Блок цилиндров в сборе Под заказ -
49
236-1005180-А Болт стяжной короткий Под заказ -
50
236-1005181 Шайба Под заказ -
51
236-1111620-Г Трубка отвода масла от ТНВД Под заказ -
52
310264-П29 Болт Под заказ шт 448 ₽448 ₽
53
201-1015624 Прокладка Под заказ шт 117 ₽117 ₽
54
201463-П29 Болт крепления ТНВД Под заказ -
55
112515-П29 Шайба Под заказ -
56
252135-П2 Шайба пружинная В наличии шт 6 ₽6 ₽
57
236-1002314-В Прокладка Под заказ шт 101 ₽101 ₽
58
110044-П29 Болт Под заказ -
59
252137-П2 Шайба пружинная Под заказ шт 21 ₽21 ₽
60
658.1002310-20 Картер маховика в сборе Под заказ -
61
658.1002311-20 Картер маховика в сборе Под заказ -
62
658.1002312-20 Картер маховика Под заказ -
63
236-1002333 Указатель верхней мертвой точки поршня Под заказ -
64
236-1002318 Крышка люка картера Под заказ -
65
201454-П29 Болт М8х16 Под заказ -
66
236-1005160-А4 Манжета в сборе Под заказ шт 2 217 ₽2 217 ₽
67
236-1005160-А5 Манжета в сборе Под заказ -
68
236-1005160-А6 Манжета в сборе В наличии шт 790 ₽790 ₽
69
КТТ140x170 Манжета КТТ140x170 Под заказ -
70
236-1002315 Маслоотражатель Под заказ -
71
236-1002404 Заглушка Под заказ шт 152 ₽152 ₽
72
201-1306075-А Прокладка Под заказ шт 0 ₽
73
656.1002015-20 Блок цилиндров Под заказ -
74
656.1002015-10 Блок цилиндров Под заказ -
75
236-1005178-А Болт стяжной длинный Под заказ -
76
236-1005152-Г Крышка заднего подшипника коленчатого вала Под заказ -
77
112304-П Шайба Под заказ -
78
236-1005159 Болт крышки коренного подшипника Под заказ -
79
238-1005143-В Крышка промежуточного подшипника коленчатого вала Под заказ -
80
236-1005140-В Крышка переднего подшипника коленчатого вала Под заказ -
81
238АК-1002265 Прокладка крышки шестерен распределения левая Под заказ шт 38 ₽38 ₽
82
252138-П2 Шайба пружинная Под заказ шт 22 ₽22 ₽
83
200822-П29 Болт Под заказ -
Содержащиеся в справочниках-каталогах запасные части и детали не предлагаются к продаже, а носят исключительно информационный характер


Наши преимущества