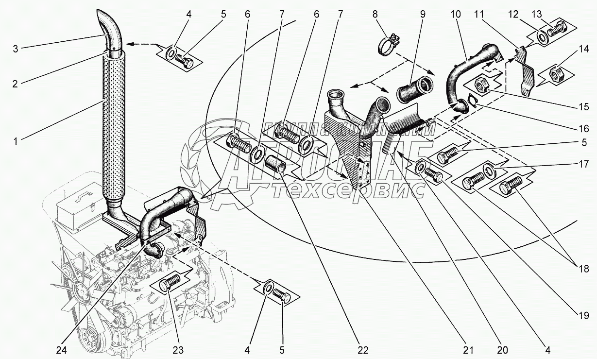
Каталог запасных частей к технике: Агротехмаш АТМ-5280. Установка глушителя

Установка глушителя

zoom-in zoom-out enlarge shrink circle-right circle-left file-text2 info cart
1
2
3
4
4
4
5
5
5
6
6
7
7
8
9
10
11
12
17
13
14
15
16
12
17
18
19
20
21
22
23
24
Изображение Артикул товара Наименование Наличие Единица измерения Количество Цена Корзина
1
10001643 Глушитель выпуска Под заказ -
2
10002032 Втулка глушителя Под заказ -
3
10002439 Насадка Под заказ -
4
10001523 Шайба Под заказ -
5
10002735 Болт Под заказ -
6
10001682 Болт Под заказ -
7
10004408 Шайба Под заказ -
8
10002359 Хомут Под заказ -
9
10001263 Сильфон Под заказ -
10
10002339 Труба Под заказ -
11
10001862 Кронштейн Под заказ -
12
10001843 Шайба Под заказ -
13
10002091 Болт Под заказ -
14
10003867 Гайка Под заказ -
15
10004509 Гайка Под заказ -
16
10000144 Прокладка Под заказ -
17
10001843 Шайба Под заказ -
18
10001603 Болт Под заказ -
19
10004019 Болт Под заказ -
20
10004016 Кронштейн сильфона Под заказ -
21
10002340 Кронштейн глушителя и воздухозаборника Под заказ шт 126 588 ₽126 588 ₽
22
10001584 Втулка Под заказ -
23
10002425 Болт Под заказ -
24
10004641 Планка Под заказ -
Содержащиеся в справочниках-каталогах запасные части и детали не предлагаются к продаже, а носят исключительно информационный характер


Наши преимущества