| № | Изображение | Артикул товара | Наименование | Наличие | Единица измерения | Количество | Цена | Корзина | |
|---|---|---|---|---|---|---|---|---|---|
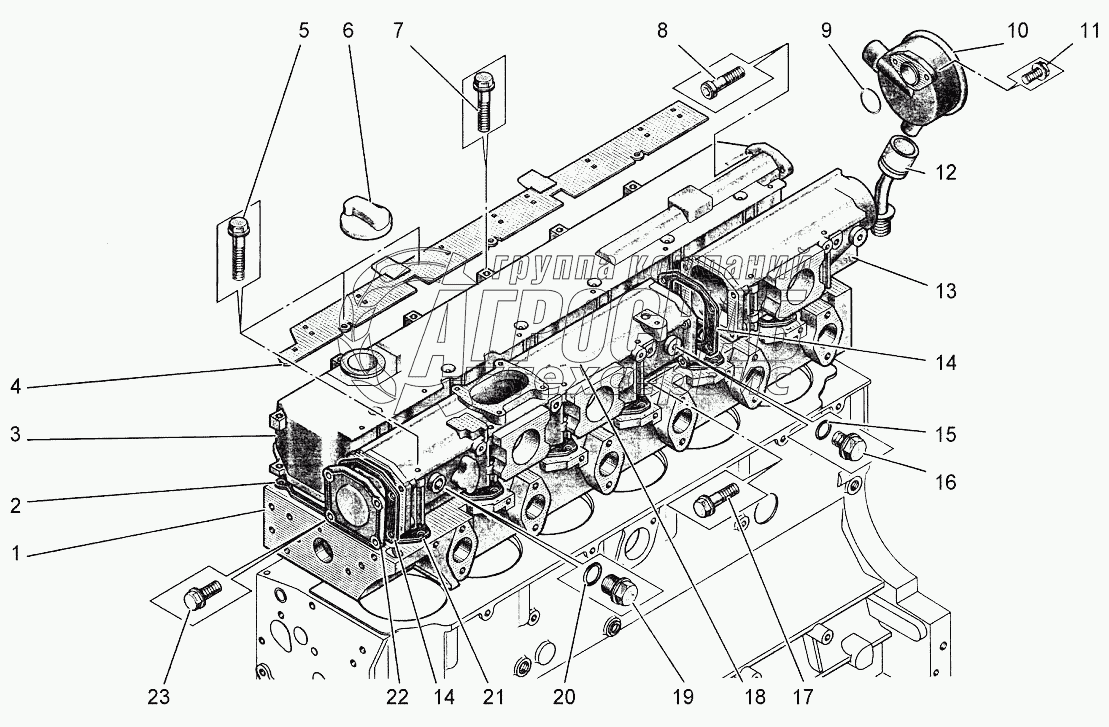
| 1 | АТM0920201 | Головка блока цилиндров | Под заказ | - | |||||
| 2 | 10003714 | Прокладка | Под заказ | - | |||||
| 3 | 90001639 | Колпак головки | Под заказ | - | |||||
| 4 | 90002014 | Крышка | Под заказ | - | |||||
| 5 | 90001530 | Болт | Под заказ | - | |||||
| 6 | 90001640 | Крышка | Под заказ | - | |||||
| 7 | 90001530 | Болт | Под заказ | - | |||||
| 8 | 90001564 | Болт | Под заказ | - | |||||
| 9 | 90001563 | Кольцо | Под заказ | - | |||||
| 10 | 90001562 | Сапун | Под заказ | - | |||||
| 11 | 90001564 | Болт | Под заказ | - | |||||
| 12 | 90001565 | Патрубок | Под заказ | - | |||||
| 13 | 90001810 | Впускной коллектор | Под заказ | - | |||||
| 14 | 90001542 | Прокладка | Под заказ | шт | 0 ₽ | ||||
| 15 | 90001511 | Кольцо | Под заказ | - | |||||
| 16 | 90001516 | Пробка | Под заказ | - | |||||
| 17 | 90001806 | Болт | Под заказ | - | |||||
| 18 | 90001808 | Впускной коллектор | Под заказ | - | |||||
| 19 | 90001507 | Пробка | Под заказ | - | |||||
| 20 | 90001524 | Кольцо | Под заказ | - | |||||
| 21 | 10007245 | Прокладка | Под заказ | шт | 986 ₽986 ₽ | ||||
| 22 | 90001797 | Крышка | Под заказ | - | |||||
| 23 | 90001538 | Болт | Под заказ | - |