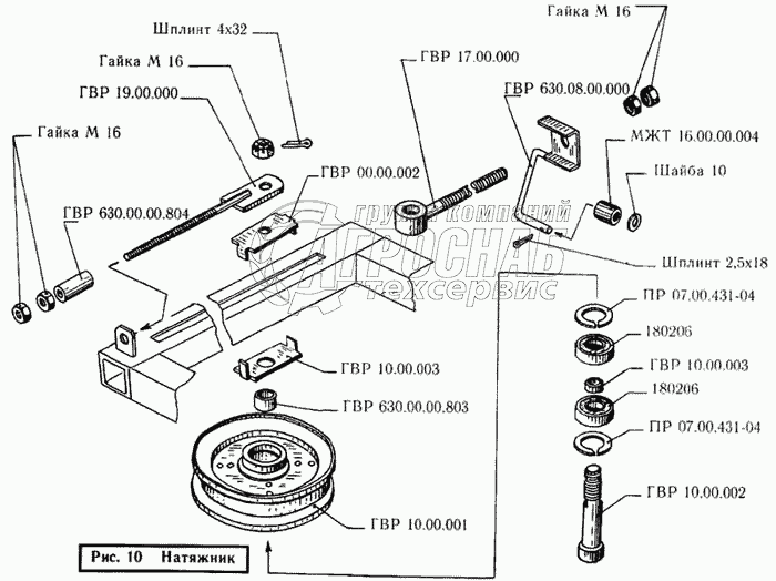
Каталог запасных частей к технике: Бобруйскагромаш ГВР-630. Натяжник

Натяжник

zoom-in zoom-out enlarge shrink circle-right circle-left file-text2 info cart
1
1
2
3
5
6
7
8
9
10
11
12
13
13
14
15
16
Изображение Артикул товара Наименование Наличие Единица измерения Количество Цена Корзина
1
ПР 07.00.431-04 Кольцо Под заказ -
2
4х32 ГОСТ 397 Шплинт Под заказ -
3
2,5х18 ГОСТ 397 Шплинт Под заказ -
4
180502 Подшипник Под заказ -
5
180206 ГОСТ 8882 Подшипник Под заказ -
6
180206 Подшипник Под заказ шт 157 ₽157 ₽
7
ГВР 630.08.00.000 Ограничитель Под заказ -
8
ГВР 00.00.002 Накладка Под заказ -
9
ГВР 10.00.002 Вал Под заказ -
10
ГВР 10.00.003 Кольцо Под заказ -
11
ГВР 10.00.001 Диск Под заказ -
12
М16 ГОСТ 5918 Гайка Под заказ -
13
М16 ГОСТ 5915 Гайка Под заказ -
14
МЖТ 16.00.00.004 Втулка Под заказ -
15
ГВР 630.00.00.804 Втулка Под заказ -
16
ГВР 630.00.00.803 Втулка Под заказ -
Содержащиеся в справочниках-каталогах запасные части и детали не предлагаются к продаже, а носят исключительно информационный характер


Наши преимущества