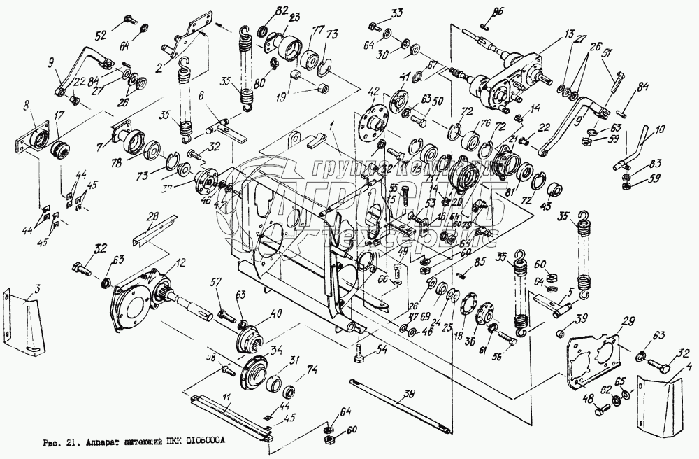
Каталог запасных частей к технике: Гомсельмаш КПК Полесье-3000. Аппарат питающий ПКК 0108000А

Аппарат питающий ПКК 0108000А

zoom-in zoom-out enlarge shrink circle-right circle-left file-text2 info cart
10
11
12
13
14
15
16
17
18
19
18
19
20
21
22
23
24
25
24
25
26
27
28
29
30
31
32
33
34
35
34
35
36
37
38
39
39
39
40
40
41
42
43
44
45
45
45
45
46
47
48
48
48
48
49
50
51
52
53
54
55
56
57
57
57
58
58
58
59
59
60
60
61
62
63
64
65
66
67
66
67
68
69
70
71
72
73
73
74
74
74
74
75
76
77
77
77
77
77
77
78
79
78
79
78
79
78
79
78
79
78
79
80
81
82
84
86
86
87
87
87
88
89
88
89
90
91
92
93
94
95
96
97
98
99
101
101
102
103
Изображение Артикул товара Наименование Наличие Единица измерения Количество Цена Корзина
1
ПКК.0108000-А Аппарат питающий Под заказ -
2
ПКК 0108130А Корпус в сборе Под заказ -
3
ПКК 0108140А Корпус в сборе Под заказ -
4
ПКК 0108150А Корпус в сборе Под заказ -
5
ПКК.0108160-А Корпус в сборе Под заказ -
6
ПКК.0108210-А Корпус подшипника со втулками Под заказ -
7
ПКК 0108170А Опора с ограничителем Под заказ -
8
ПКК.0108080-А Рычаг со втулкой Под заказ -
9
ПКК.0108080-А-03 Рычаг со втулкой Под заказ -
10
ПКК 0108010А Корпус Под заказ -
11
ПКК 0108060А Навеска пружинная Под заказ -
12
ПКК.0108070-А Щиток защитный Под заказ -
13
ПКК.0108070-А-0 Щиток защитный Под заказ -
14
ПКК.0108090-А Навеска пружинная Под заказ -
15
ПКК.0108090-А-03 Навеска пружинная Под заказ -
16
ПКК.0108180-А Корпус подвижный Под заказ -
17
ПКК.0108190-А Пластина опорная Под заказ -
18
ПКК.0108200-А Рычаг Под заказ -
19
ПКК.0108200-А Рычаг Под заказ -
20
ПКК.0108230 Труба Под заказ -
21
ПКК 0108240 Чистик Под заказ -
22
ПКК 0117000А Редуктор нижних вальцев Под заказ -
23
ПКК.0118000-А Редуктор цилиндрический подпитывающих вальцев Под заказ -
24
КУЖ 0108010 Клапан предохранительный Под заказ -
25
КУЖ 0108010 Клапан предохранительный Под заказ -
26
ПКК 0100504 Пластина противорежущая Под заказ -
27
ПКК.0100527 Пластина противорежущая боковая Под заказ -
28
ПКК.0100503 Пластина противорежущая Под заказ -
29
ПКК.0108004 Ограничитель Под заказ -
30
ПКК.0108006-А Прокладка Под заказ -
31
ПКК.0108105-А Втулка Под заказ -
32
ПКК.0108109-А Корпус подшипника Под заказ -
33
ПКК.0108111-А Корпус подшипника Под заказ -
34
ПКК.0108114 Втулка Под заказ -
35
ПКК.0108114 Втулка Под заказ -
36
ПКК.0108201 Корпус подшипника Под заказ -
37
ПКК.0108401 Шайба Под заказ -
38
ПКК.0108401-01 Шайба Под заказ -
39
ПКК.0108407-А Шайба Под заказ -
40
ПКК.0108407-А-01 Шайба Под заказ -
41
ПКК.0108415-А Уголок Под заказ -
42
ПКК.0108416 Пластина опорная Под заказ -
43
ПКК.0108491 Шайба Под заказ -
44
ПКК.0108633 Вкладыш Под заказ -
45
ПКК.0108634 Болт Под заказ -
46
ПКК.0108635 Болт Под заказ -
47
ПКК.0108636 Опора Под заказ -
48
ПКК.0108669-А Пружина Под заказ -
49
ПКК 0108685А Крышка Под заказ -
50
ПКК.0108687-А Втулка Под заказ -
51
ПКК.0108688-А Вал Под заказ -
52
ПКК 0108689А Кольцо Под заказ -
53
ПКК 0108691А Втулка Под заказ -
54
ПКК 0108692А Втулка Под заказ -
55
ПКК 0108693А Центрирующая шайба Под заказ -
56
ПКК.0108699-А Втулка Под заказ -
57
ПКК 0202449 Прокладка Под заказ -
58
ПКК 0202449-01 Прокладка Под заказ -
59
КИС 0119407Б Прокладка Под заказ -
60
КИС 0614404А Шайба Под заказ -
61
Болт М8-6ех16.88.019 ГОСТ 7796-70 Болт М8-6ех16.88.019 ГОСТ 7796-70 Под заказ -
62
Болт М10-6ех30.88.019 ГОСТ 7796-70 Болт М10-6ех30.88.019 ГОСТ 7796-70 Под заказ -
63
Болт М10-6ех35.88.019 ГОСТ 7796-70 Болт М10-6ех35.88.019 ГОСТ 7796-70 Под заказ -
64
Болт М10-6ех50.88.019 ГОСТ 7796-70 Болт М10-6ех50.88.019 ГОСТ 7796-70 Под заказ -
65
Болт М12-6ех20.88.019 ГОСТ 7796-70 Болт М12-6ех20.88.019 ГОСТ 7796-70 Под заказ -
66
Болт М12-6ех35.88.019 ГОСТ 7796-70 Болт М12-6ех35.88.019 ГОСТ 7796-70 Под заказ -
67
Болт М12-6ех35.88.019 ГОСТ 7796-70 Болт М12-6ех35.88.019 ГОСТ 7796-70 Под заказ -
68
Болт М12-6ех55.88.019 ГОСТ 7796-70 Болт М12-6ех55.88.019 ГОСТ 7796-70 Под заказ -
69
Болт М12-6ех60.88.019 ГОСТ 7796-70 Болт М12-6ех60.88.019 ГОСТ 7796-70 Под заказ -
70
Болт М6-6ех16.88.019 ГОСТ 7798-70 Болт М6-6ех16.88.019 ГОСТ 7798-70 Под заказ -
71
Винт М10-6ех20.88.019 ГОСТ 11738-84 Винт М10-6ех20.88.019 ГОСТ 11738-84 Под заказ -
72
Винт ВМ6-6ех18.88.019 ГОСТ 17745-80 Винт ВМ6-6ех18.88.019 ГОСТ 17745-80 Под заказ -
73
Гайка М10-6G.8.016 ГОСТ 5915-70 Гайка М10-6G.8.016 ГОСТ 5915-70 Под заказ -
74
Гайка М12-6G.8.016 ГОСТ 5915-70 Гайка М12-6G.8.016 ГОСТ 5915-70 Под заказ -
75
Шайба 6.65Г.06 ГОСТ 6402-70 Шайба 6.65Г.06 ГОСТ 6402-70 Под заказ -
76
Шайба 8.65Г.06 ГОСТ 6402-70 Шайба 8.65Г.06 ГОСТ 6402-70 Под заказ -
77
Шайба 10.65Г.06 ГОСТ 6402-70 Шайба 10.65Г.06 ГОСТ 6402-70 Под заказ -
78
Шайба 12.65Г.06 ГОСТ 6402-70 Шайба 12.65Г.06 ГОСТ 6402-70 Под заказ -
79
Шайба 12.65Г.06 ГОСТ 6402-70 Шайба 12.65Г.06 ГОСТ 6402-70 Под заказ -
80
Шайба 8.01.019 ГОСТ 11371-78 Шайба 8.01.019 ГОСТ 11371-78 Под заказ -
81
Шайба 12.01.019 ГОСТ 11371-78 Шайба 12.01.019 ГОСТ 11371-78 Под заказ -
82
Кольцо 045-050-30-2-2 ГОСТ 18829-73 Кольцо 045-050-30-2-2 ГОСТ 18829-73 Под заказ -
83
Кольцо 050-055-030 ГОСТ 9883-73 Кольцо 050-055-030 ГОСТ 9883-73 Под заказ -
84
Кольцо СГ42-32-8 ГОСТ 6418-81 Кольцо СГ42-32-8 ГОСТ 6418-81 Под заказ -
85
Кольцо А-45 ГОСТ 13942-86 Кольцо А-45 ГОСТ 13942-86 Под заказ -
86
Кольцо В90 ГОСТ 13941-86 Кольцо В90 ГОСТ 13941-86 Под заказ -
87
Кольцо В62 ГОСТ 13941-86 Кольцо В62 ГОСТ 13941-86 Под заказ -
88
Кольцо А72 ГОСТ 13941-86 Кольцо А72 ГОСТ 13941-86 Под заказ -
89
Кольцо А72 ГОСТ 13941-86 Кольцо А72 ГОСТ 13941-86 Под заказ -
90
Подшипник 180204 ГОСТ 8882-75 Подшипник 180204 ГОСТ 8882-75 Под заказ -
91
Подшипник 60210 ГОСТ 7242-81 Подшипник 60210 ГОСТ 7242-81 Под заказ -
92
Подшипник 60206 ГОСТ 7242-81 Подшипник 60206 ГОСТ 7242-81 Под заказ -
93
Подшипник 180207 ГОСТ 8882-75 Подшипник 180207 ГОСТ 8882-75 Под заказ -
94
Подшипник 180306 ГОСТ 8882-75 Подшипник 180306 ГОСТ 8882-75 Под заказ -
95
Масленка 2.2.90УХЛ1 ГОСТ 19853-74 Масленка 2.2.90УХЛ1 ГОСТ 19853-74 Под заказ -
96
Масленка ГОСТ 19853-74 2.2.90УХЛ1 Масленка ГОСТ 19853-74 2.2.90УХЛ1 Под заказ -
97
Масленка 12.УХЛ1 ГОСТ 19853-74 Масленка 12.УХЛ1 ГОСТ 19853-74 Под заказ -
98
Манжета 1.2-42х62-1 ГОСТ 8752-79/ОСТ 38. Манжета 1.2-42х62-1 ГОСТ 8752-79/ОСТ 38.05.156-78 Под заказ -
99
Манжета 2.2-25х42-1 ГОСТ 8752-79/ОСТ 38. Манжета 2.2-25х42-1 ГОСТ 8752-79/ОСТ 38.05.156-78 Под заказ -
100
Шпонка 8х7х25 ГОСТ 23360-78 Шпонка 8х7х25 ГОСТ 23360-78 Под заказ -
101
Шпонка 8х7х32 ГОСТ 23360-78 Шпонка 8х7х32 ГОСТ 23360-78 Под заказ -
102
Шпонка 14х19х40 ГОСТ 23360-78 Шпонка 14х19х40 ГОСТ 23360-78 Под заказ -
103
Шпонка 12х8х40 ГОСТ 23360-78 Шпонка 12х8х40 ГОСТ 23360-78 Под заказ -
Содержащиеся в справочниках-каталогах запасные части и детали не предлагаются к продаже, а носят исключительно информационный характер


Наши преимущества