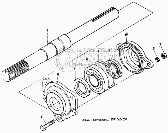
Каталог запасных частей к технике: Гомсельмаш КПК Полесье-3000. Контрпривод ПКК 0464000

Контрпривод ПКК 0464000

zoom-in zoom-out enlarge shrink circle-right circle-left file-text2 info cart
4
5
6
7
8
9
10
9
10
11
12
13
Изображение Артикул товара Наименование Наличие Единица измерения Количество Цена Корзина
1
ПКК 0464000 Контрпривод Под заказ -
2
КИС-0600030 Корпус Под заказ -
3
КИС-0600020 Крышка Под заказ -
4
ПКК 0464601 Вал Под заказ -
5
Болт М8-6ех40.88.019 ГОСТ 7796-70 Болт М8-6ех40.88.019 ГОСТ 7796-70 Под заказ -
6
Гайка М8-60.6.019 ГОСТ 5915-70 Гайка М8-60.6.019 ГОСТ 5915-70 Под заказ -
7
Шайба 8.65Г.06 ГОСТ 6402-70 Шайба 8.65Г.06 ГОСТ 6402-70 Под заказ -
8
Подшипник 11208 ГОСТ 8545-75 Подшипник 11208 ГОСТ 8545-75 Под заказ -
9
Манжета 2,2-40х60 ГОСТ 8452-49 ОСТ 38.05 Манжета 2,2-40х60 ГОСТ 8452-49 ОСТ 38.05.146-48 Под заказ -
10
Манжета 2,2-40х60 ГОСТ 8452-49 ОСТ 38.05 Манжета 2,2-40х60 ГОСТ 8452-49 ОСТ 38.05.146-48 Под заказ -
11
Н.026.506 Кольцо распорное Под заказ -
12
Н.026.088 Корпус подшипника Под заказ -
13
Н.026.165 Крышка подшипника Под заказ -
Содержащиеся в справочниках-каталогах запасные части и детали не предлагаются к продаже, а носят исключительно информационный характер


Наши преимущества