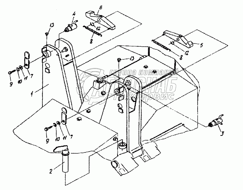
Каталог запасных частей к технике: Гомсельмаш КПР-6. Рама, фиксатор, крюки

Рама, фиксатор, крюки

zoom-in zoom-out enlarge shrink circle-right circle-left file-text2 info cart
1
2
3
4
5
6
7
7
8
8
9
9
10
10
11
11
12
12
13
13
Изображение Артикул товара Наименование Наличие Единица измерения Количество Цена Корзина
1
КПР6101000 Рама Под заказ -
2
КПР6111000 Фиксатор Под заказ -
3
КПР6117000 Палец Под заказ -
4
КПР6117000-01 Палец Под заказ -
5
КПР6118000 Крюк Под заказ -
6
КПР6118000-01 Крюк Под заказ -
7
КПР6100501 Ручка Под заказ -
8
КПР6100606 Пружина Под заказ -
9
[Болт М8-6gх20-7796] Болт М8-6gх20-7796 Под заказ -
10
[Шайба 8.65Г-6402] Шайба 8.65Г-6402 Под заказ -
11
[Шайба А8.01-6958] Шайба А8.01-6958 Под заказ -
12
[Кольцо В25-13942] Кольцо В25-13942 Под заказ -
13
[Масленка 1.2-19853] Масленка 1.2-19853 Под заказ -
Содержащиеся в справочниках-каталогах запасные части и детали не предлагаются к продаже, а носят исключительно информационный характер


Наши преимущества