| № | Изображение | Артикул товара | Наименование | Наличие | Единица измерения | Количество | Цена | Корзина | |
|---|---|---|---|---|---|---|---|---|---|
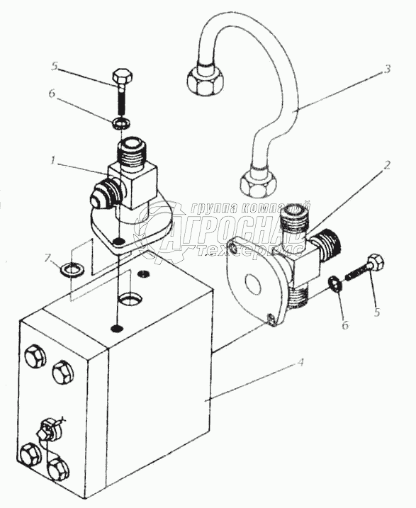
| 1 | КИЛ 0118070 | Клапан предохранительный | Под заказ | - | |||||
| 2 | КИЛ 0118050 | Т ройник | Под заказ | - | |||||
| 3 | КИЛ 0118050 | Т ройник | Под заказ | - | |||||
| 4 | КИЛ 0118080 | Трубопровод | Под заказ | - | |||||
| 5 | ГА 33000Г | Клапан предохранительный | Под заказ | - | |||||
| 6 | М8х16.56.019 | Болт ГОСТ 7796-76 | Под заказ | - | |||||
| 7 | 8.65Г.019 | Шайба ГОСТ 6402-70 | Под заказ | - | |||||
| 8 | Н1-20х16-2 | Кольцо ГОСТ 18829-73 | Под заказ | - |