Каталог запасных частей к технике: Гомсельмаш КВК-6025. Установка двигателя КСК-6025-0116000

Установка двигателя КСК-6025-0116000

zoom-in zoom-out enlarge shrink circle-right circle-left file-text2 info cart
3
4
5
6
7
8
8
9
9
10
10
11
11
12
12
13
14
14
14
15
15
15
16
16
17
17
18
18
18
19
20
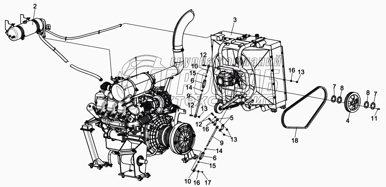
Изображение Артикул товара Наименование Наличие Единица измерения Количество Цена Корзина
1
КСК-6025-0116510 Растяжка Под заказ -
2
КСК-6025-0116000 Установка двигателя Под заказ -
3
КСК-6025-0116010 Двигатель Под заказ -
4
КСК-6025-0116070 Установка бачка расширительного Под заказ -
5
КСК-6025-0116080 Установка воздухоочистителя Под заказ -
6
КСК-6025-0116104 Шкив Под заказ -
7
КСК-6025-0116441 Кронштейн Под заказ -
8
АМ46.05.201 Стяжка Под заказ -
9
КВС-1-0150467 Прокладка Под заказ -
10
КВС-1-0150467-01 Прокладка Под заказ -
11
КЗК0106615 Зацеп Под заказ -
12
КЗК0106615-02 Зацеп Под заказ -
13
БолтМ8-6ex50-7796 Болт М8-6eх50-7796 Под заказ -
14
БолтМ12-6ex35-7796 Болт М12-6ex35-7796 Под заказ -
15
ГайкаМ12-8 Гайка М12-8 Под заказ -
16
ГайкаМ12-6G-5915 Гайка М12-6G-5915 Под заказ -
17
ГайкаМ12-LH-6G-5915 Гайка М12-LH-6G-5915 Под заказ -
18
ШайбаC.12.01-11371 Шайба C.12.01-11371 Под заказ -
19
Шплинт3,2x20-397 Шплинт 3,2x20-397 Под заказ -
20
Ремень2HBBP2330KA Ремень 2 HB BP 2330 K A Под заказ -
Содержащиеся в справочниках-каталогах запасные части и детали не предлагаются к продаже, а носят исключительно информационный характер


Наши преимущества