Каталог запасных частей к технике: Гомсельмаш КВК-6025. Установка основания силосопровода КСК-6025-0158000

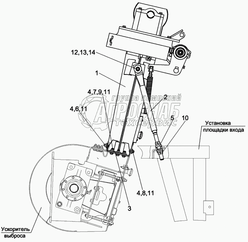
Установка основания силосопровода КСК-6025-0158000

zoom-in zoom-out enlarge shrink circle-right circle-left file-text2 info cart
2
3
4
5
5
5
6
7
8
9
10
11
12
12
12
13
14
15
Изображение Артикул товара Наименование Наличие Единица измерения Количество Цена Корзина
1
КСК-6025-0158000 Установка основания силосопровода Под заказ -
2
КСК-6025-0158140 Основание силосопровода Под заказ -
3
КСК-6025-0158230 Растяжка Под заказ -
4
КВК0140411 Прокладка Под заказ -
5
КЗР0221417 Шайба Под заказ -
6
КИС0100102 Шайба сферическая Под заказ -
7
БолтМ10-6ex35-7786 Болт М10-6eх35-7786 Под заказ -
8
БолтМ10-6ex40-7796 Болт М10-6eх40-7796 Под заказ -
9
БолтМ10-6ex25-7802 Болт М10-6eх25-7802 Под заказ -
10
ГайкаМ10-6G-2526 Гайка М10-6G-2526 Под заказ -
11
ГайкаМ22x1,5-6G-2526 Гайка М22Х1,5-6G-2526 Под заказ -
12
ГайкаМ10-6G-5915 Гайка М10-6G-5915 Под заказ -
13
ГайкаМ16-6G-5915 Гайка М16-6G-5915 Под заказ -
14
Шайба16Т.65Г-6402 Шайба 16Т.65Г-6402 Под заказ -
15
ШайбаC16.01-6958 Шайба C 16.01-6958 Под заказ -
Содержащиеся в справочниках-каталогах запасные части и детали не предлагаются к продаже, а носят исключительно информационный характер


Наши преимущества