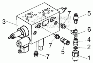
Каталог запасных частей к технике: Гомсельмаш КВК-8060. Гидроблок адаптеров КВК 0604300Б

Гидроблок адаптеров КВК 0604300Б

zoom-in zoom-out enlarge shrink circle-right circle-left file-text2 info cart
2
3
4
5
6
6
7
8
8
8
Изображение Артикул товара Наименование Наличие Единица измерения Количество Цена Корзина
1
КВК0604300Б Гидроблок адаптеров Под заказ -
2
КВК0604660 Реле давления 0191 460 03 1003 Под заказ -
3
14М1-23358 Прокладка Под заказ -
4
GB1-02-KVK8060-24V-1K-DE4 Гидроблок Под заказ -
5
MAVE08LRCF Переходник Под заказ -
6
АВ20-11/ВО8L Резьбовое соединение с колпачком АВ20-11/ВО8L (фирма “Bosh-Rexroth”, Германия) Под заказ -
7
ET08LOMDCF Тройник Под заказ -
8
GE08LREDOMDCF Штуцер Под заказ -
Содержащиеся в справочниках-каталогах запасные части и детали не предлагаются к продаже, а носят исключительно информационный характер


Наши преимущества