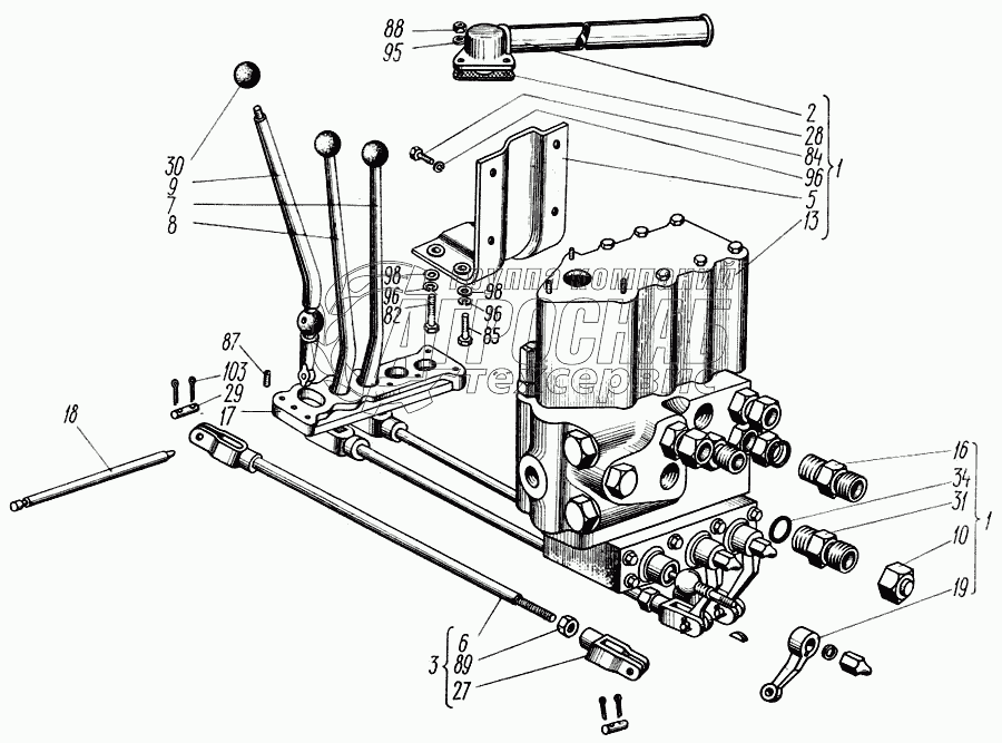
Каталог запасных частей к технике: ХТЗ Т-150. Насос гидросистемы

Насос гидросистемы

zoom-in zoom-out enlarge shrink circle-right circle-left file-text2 info cart
2
2
3
4
5
6
7
8
9
10
11
12
13
14
15
17
18
19
20
21
22
23
24
23
24
25
26
27
26
27
28
29
30
29
30
31
32
31
32
33
34
33
34
35
36
37
38
39
35
36
37
38
39
35
36
37
38
39
35
36
37
38
39
35
36
37
38
39
35
36
37
38
39
35
36
37
38
39
40
41
40
41
40
41
42
Изображение Артикул товара Наименование Наличие Единица измерения Количество Цена Корзина
1
150.53.001-3 Насос гидросистемы Под заказ -
2
150.53.012-1 Установка распределителя Под заказ -
3
150.53.013-3 Патрубок распределителя Под заказ -
4
150.53.020А Тяга Под заказ -
5
150.53.051А Кронштейн распределителя Под заказ -
6
150.53.052 Тяга Под заказ -
7
150.53.054 Рычаг правый Под заказ -
8
150.53.055 Рычаг средний Под заказ -
9
150.53.056 Рычаг левый Под заказ -
10
Н.036.12.040 Заглушка в сборе Под заказ -
11
Р80-2/1-222-001-10 Распределитель Под заказ -
12
150.53.101 Штуцер удлиненный Под заказ -
13
150.53.118-1 Корте Под заказ -
14
150.53.121-1 Ось Под заказ -
15
150.53.125 Рычаг Под заказ -
16
150.53.135 Втулка Под заказ -
17
14.38.528А Вилка тяги блокировки Под заказ -
18
54.53.402А Прокладка Под заказ -
19
74.20.410 Палец Под заказ -
20
А13.03.000А Рукоятка Под заказ -
21
Н.036.04.005 Штуцер Под заказ -
22
НШ10-0101034 Кольцо уплотнительное Под заказ -
23
Болт М10-6gх65.66.019 ГОСТ 7795-70 Болт М10-6gх65.66.019 ГОСТ 7795-70 Под заказ -
24
Болт М10-6gх65.66.019 ГОСТ 7795-70 Болт М10-6gх65.66.019 ГОСТ 7795-70 Под заказ -
25
Болт М10-6gх20.66.019 ГОСТ 7796-70 Болт М10-6gх20.66.019 ГОСТ 7796-70 Под заказ -
26
Болт М10-6gх25.66.019 ГОСТ 7796-70 Болт М10-6gх25.66.019 ГОСТ 7796-70 Под заказ -
27
Болт М10-6gх25.66.019 ГОСТ 7796-70 Болт М10-6gх25.66.019 ГОСТ 7796-70 Под заказ -
28
Винт М6-6gх8.66.019 ГОСТ 1477-75 Винт М6-6gх8.66.019 ГОСТ 1477-75 Под заказ -
29
Гайка М8-6Н.6.0112 ГОСТ 5915-70 Гайка М8-6Н.6.0112 ГОСТ 5915-70 Под заказ -
30
Гайка М8-6Н.6.0112 ГОСТ 5915-70 Гайка М8-6Н.6.0112 ГОСТ 5915-70 Под заказ -
31
Гайка М10.6.0112 ГОСТ 5915-70 Гайка М10.6.0112 ГОСТ 5915-70 Под заказ -
32
Гайка М10.6.0112 ГОСТ 5915-70 Гайка М10.6.0112 ГОСТ 5915-70 Под заказ -
33
Шайба 8 65Г 05 ГОСТ 6402-70 Шайба 8 65Г 05 ГОСТ 6402-70 Под заказ -
34
Шайба 8 65Г 05 ГОСТ 6402-70 Шайба 8 65Г 05 ГОСТ 6402-70 Под заказ -
35
Шайба 10 65Г 05 ГОСТ 6402-70 Шайба 10 65Г 05 ГОСТ 6402-70 Под заказ -
36
Шайба 10 65Г 05 ГОСТ 6402-70 Шайба 10 65Г 05 ГОСТ 6402-70 Под заказ -
37
Шайба 10 65Г 05 ГОСТ 6402-70 Шайба 10 65Г 05 ГОСТ 6402-70 Под заказ -
38
Шайба 10 65Г 05 ГОСТ 6402-70 Шайба 10 65Г 05 ГОСТ 6402-70 Под заказ -
39
Шайба 10 65Г 05 ГОСТ 6402-70 Шайба 10 65Г 05 ГОСТ 6402-70 Под заказ -
40
Шайба 10.04.0115 ГОСТ 11371-78 Шайба 10.04.0115 ГОСТ 11371-78 Под заказ -
41
Шайба 10.04.0115 ГОСТ 11371-78 Шайба 10.04.0115 ГОСТ 11371-78 Под заказ -
42
Шплинт 3,2х20.001 ГОСТ 397-79 Шплинт 3,2х20.001 ГОСТ 397-79 Под заказ -
Содержащиеся в справочниках-каталогах запасные части и детали не предлагаются к продаже, а носят исключительно информационный характер


Наши преимущества