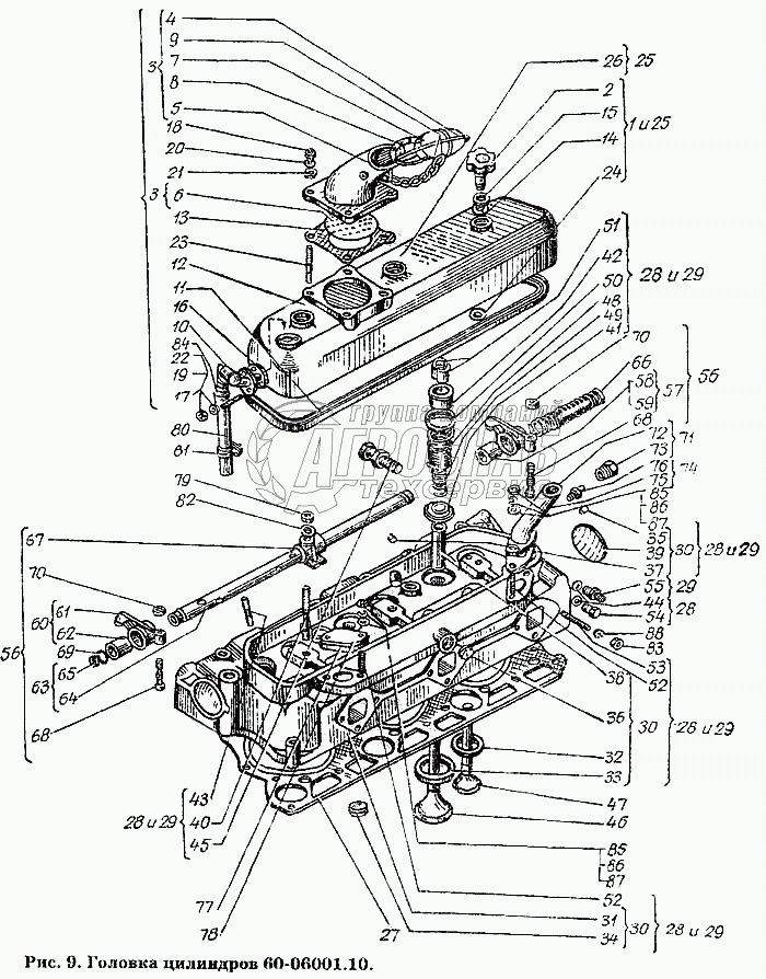
Каталог запасных частей к технике: ХТЗ Т-150К. Головка цилиндров 60-06001.10

Головка цилиндров 60-06001.10

zoom-in zoom-out enlarge shrink circle-right circle-left file-text2 info cart
2
3
4
5
5
6
7
9
10
11
12
13
14
15
14
15
16
17
18
19
18
19
20
21
20
21
22
8
23
108
24
25
109
26
27
111
28
29
30
31
30
31
32
32
33
34
35
35
35
35
35
35
36
100
36
100
36
100
36
100
36
100
36
100
37
38
37
38
37
38
37
38
39
40
41
42
43
44
45
46
47
48
49
50
49
50
51
52
51
52
53
54
53
54
55
56
55
56
57
58
57
58
59
60
59
60
61
62
61
62
63
64
63
64
65
66
65
66
67
68
69
68
69
70
71
70
71
72
73
72
73
72
73
74
75
74
75
76
77
78
78
79
80
81
84
82
83
81
84
85
86
87
88
89
90
90
91
92
92
93
94
95
96
95
96
97
98
99
36
100
101
102
103
104
105
106
107
8
23
108
8
23
108
25
109
25
109
110
110
27
111
Изображение Артикул товара Наименование Наличие Единица измерения Количество Цена Корзина
1
60-06001.10 Головка цилиндров Под заказ -
2
60-06006.10 Колпак головки левый Под заказ -
3
60-06010.00 Гайка колпака Под заказ -
4
60-06019.00 Гайка колпака Под заказ -
5
60-06025.00 Патрубок маслоналивной Под заказ -
6
СМД1-0124 Пружина крышки Под заказ -
7
60-06166.01 Патрубок маслоналивной Под заказ -
8
Гайка М8.2.6.05 ГОСТ 2524-70 Гайка М8.2.6.05 ГОСТ 2524-70 Под заказ -
9
60-06204.00 Сетка Под заказ -
10
14-0108 Крышка патрубка Под заказ -
11
14-0122 Прокладка крышки патрубка Под заказ -
12
14-01С11 Цепочка Под заказ -
13
60-06026.00 Сапун Под заказ -
14
60-06127.00 Прокладка колпака Под заказ -
15
60-06127.00 Прокладка колпака Под заказ -
16
60-06163.01 Колпак головки цилиндров Под заказ -
17
60-06167.00 Прокладка Под заказ -
18
60-06205.11 Кольцо уплотнительное Под заказ -
19
60-06205.11 Кольцо уплотнительное Под заказ -
20
60-06206.00 Шайба прижимная Под заказ -
21
60-06206.00 Шайба прижимная Под заказ -
22
60-06220.00 Прокладка сапуна Под заказ -
23
Гайка М8.2.6.05 ГОСТ 2524-70 Гайка М8.2.6.05 ГОСТ 2524-70 Под заказ -
24
Гайка М10.2.6.05 ГОСТ 2524-70 Гайка М10.2.6.05 ГОСТ 2524-70 Под заказ -
25
Шайба 8.65Г.05 ГОСТ 6402-70 Шайба 8.65Г.05 ГОСТ 6402-70 Под заказ -
26
Шайба 10.65Г.05 ГОСТ 6402-70 Шайба 10.65Г.05 ГОСТ 6402-70 Под заказ -
27
Шайба 10х2-015 ГОСТ 10450-68 Шайба 10х2-015 ГОСТ 10450-68 Под заказ -
28
Шпилька БМ8 кл. То/2х16(10/12)х055 ГОСТ Шпилька БМ8 кл. То/2х16(10/12)х055 ГОСТ 11765-66 Под заказ -
29
Шпилька БМ10 кл. То/2х25(20/22)х40Х ГОСТ Шпилька БМ10 кл. То/2х25(20/22)х40Х ГОСТ 11765-66 Под заказ -
30
СМД1-0624 Кольцо стопорное Под заказ -
31
СМД1-0624 Кольцо стопорное Под заказ -
32
60-06007.01 Колпак головки правый Под заказ -
33
60-06164.01 Колпак головки цилиндров Под заказ -
34
60-06008.30 Прокладка головки В наличии шт 164 ₽164 ₽
35
60-06009.10 Головка с клапанами Под заказ -
36
60-06010.10 Головка с клапанами Под заказ -
37
60-06002.31 Головка цилиндров Под заказ -
38
60-06002.31 Головка цилиндров Под заказ -
39
60-06101.21 Головка цилиндров Под заказ -
40
60-06106.00 Седло выпускного клапана Под заказ -
41
60-06107.20 Седло впускного клапана Под заказ -
42
60-06126.00 Заглушка Под заказ -
43
60-06129.00 Заглушка Под заказ -
44
60-06201.01 Пробка резьбовая Под заказ -
45
60-06214.00 Заглушка Под заказ -
46
60-06103.00 Втулка направляющая или 236-10070.32 Под заказ -
47
236-10070.32 Втулка направляющая или 60-06103.00 Под заказ -
48
Заглушка 60-002 ГОСТ 3111-67 Заглушка 60-002 ГОСТ 3111-67 Под заказ -
49
60-06138.00 Шпилька крепления стойки Под заказ -
50
60-06138.00 Шпилька крепления стойки Под заказ -
51
60-06140.00 Тарелка клапана Под заказ -
52
60-06140.00 Тарелка клапана Под заказ -
53
60-06171.00 Втулка тарелки клапана Под заказ -
54
60-06171.00 Втулка тарелки клапана Под заказ -
55
60-06208.00 Шпилька крепления форсунки Под заказ -
56
60-06208.00 Шпилька крепления форсунки Под заказ -
57
СМД7-0216-2 Прокладка поворотного угольника Под заказ -
58
СМД7-0216-2 Прокладка поворотного угольника Под заказ -
59
236-10033.30 Рым-болт Под заказ -
60
236-10033.30 Рым-болт Под заказ -
61
236-10070.10В Клапан впускной Под заказ -
62
236-10070.10В Клапан впускной Под заказ -
63
236-10070.15В4 Клапан выпускной Под заказ -
64
236-10070.15В4 Клапан выпускной Под заказ -
65
236-10070.20 Пружина клапана наружная Под заказ -
66
236-10070.20 Пружина клапана наружная Под заказ -
67
236-10070.21 Пружина клапана внутренняя Под заказ -
68
236-10070.25 Шайба пружины клапана Под заказ -
69
236-10070.25 Шайба пружины клапана Под заказ -
70
236-10070.28 Сухарь клапана Под заказ -
71
236-10070.28 Сухарь клапана Под заказ -
72
Шпилька БМ8 кл. То/2х20(12/15)х055 ГОСТ Шпилька БМ8 кл. То/2х20(12/15)х055 ГОСТ 11765-66 Под заказ -
73
Шпилька БМ8 кл. То/2х20(12/15)х055 ГОСТ Шпилька БМ8 кл. То/2х20(12/15)х055 ГОСТ 11765-66 Под заказ -
74
Шпилька БМ10 кл. То/2 х35(15/26)х055 ГОС Шпилька БМ10 кл. То/2 х35(15/26)х055 ГОСТ 11765-66 Под заказ -
75
Шпилька БМ10 кл. То/2 х35(15/26)х055 ГОС Шпилька БМ10 кл. То/2 х35(15/26)х055 ГОСТ 11765-66 Под заказ -
76
60-06213.00 Пробка резьбовая Под заказ -
77
60-06212.00 Штуцер Под заказ -
78
60-06013.00 Механизм распределения Под заказ -
79
60-06003.01 Коромысло клапана правое со втулкой Под заказ -
80
60-06109.02 Коромысло клапана правое Под заказ -
81
60-06168.00 Втулка коромысла клапана Под заказ -
82
60-06004.01 Коромысло клапана левое со втулкой Под заказ -
83
60-06132.02 Коромысло клапана левое Под заказ -
84
60-06168.00 Втулка коромысла клапана Под заказ -
85
60-06018.01 Ось коромысел Под заказ -
86
60-06144.00 Ось коромысел Под заказ -
87
60.06190.10 Заглушка Под заказ -
88
60-06122.00 Пружина распорная Под заказ -
89
60-06141.00 Стойка осей коромысел Под заказ -
90
60-06172.10 Винт регулировочный Под заказ -
91
СМД7-0688 Кольцо стопорное Под заказ -
92
Гайка М12х1,25.2а.6.05 ГОСТ 2524-70 Гайка М12х1,25.2а.6.05 ГОСТ 2524-70 Под заказ -
93
60-06016.10 Патрубок водоотводящий правый Под заказ -
94
60-06183.10 Патрубок водоотводящий правый Под заказ -
95
60-06159.00 Штуцер Под заказ -
96
60-06159.00 Штуцер Под заказ -
97
60-06017.10 Патрубок водоотводящий левый Под заказ -
98
60-06182.10 Патрубок водоотводящий левый Под заказ -
99
Н-6081А Ниппель конечный (475313148) Под заказ -
100
60-06010.10 Головка с клапанами Под заказ -
101
60-06143.10 Крышка Под заказ -
102
60-06165.00 Гайка крепления стойки Под заказ -
103
60-06224.00 Шланг сапуна Под заказ -
104
60-06226.00 Хомут Под заказ -
105
60-06175.10 Шайба контровочная Под заказ -
106
СМД7-0645 Гайка крепления выхлопного коллектора Под заказ -
107
А23-02.160 Хомут стяжной Под заказ -
108
Гайка М8.2.6.05 ГОСТ 2524-70 Гайка М8.2.6.05 ГОСТ 2524-70 Под заказ -
109
Шайба 8.65Г.05 ГОСТ 6402-70 Шайба 8.65Г.05 ГОСТ 6402-70 Под заказ -
110
Шайба 8х1,5-015 ГОСТ 10450-68 Шайба 8х1,5-015 ГОСТ 10450-68 Под заказ -
111
Шайба 10х2-015 ГОСТ 10450-68 Шайба 10х2-015 ГОСТ 10450-68 Под заказ -
Содержащиеся в справочниках-каталогах запасные части и детали не предлагаются к продаже, а носят исключительно информационный характер


Наши преимущества