Каталог запасных частей к технике: ХТЗ Т-151К-08. Муфта главного сцепления. Корпус

Муфта главного сцепления. Корпус

zoom-in zoom-out enlarge shrink circle-right circle-left file-text2 info cart
1
2
3
4
5
6
7
7
8
8
9
10
11
12
13
14
15
16
17
17
18
19
Изображение Артикул товара Наименование Наличие Единица измерения Количество Цена Корзина
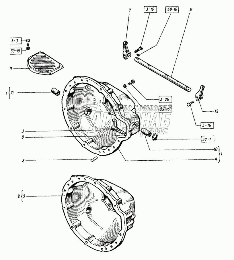
1
8x11.24071 Шпонка (b=8, h=11, d=28) Под заказ -
2
8.65Г.6402 Шайба Под заказ -
3
12Т.65Г.6402 Шайба (d=12,2, b=S=3,5) Под заказ -
4
1С18.13942 Кольцо (d=16,5, d1=20,7, b=2,8, S=1,2) Под заказ -
5
М8х16.7796 Болт Под заказ -
6
М12х40.7796 Болт Под заказ -
7
М10x30.7796 Болт Под заказ -
8
151.21.021-3 Корпус муфты со втулками Под заказ шт 19 000 ₽19 000 ₽
9
151.21.021-6 Корпус Под заказ -
10
150.20.027-2 Рычаг включения в сборе Под заказ -
11
151.21.201-3 Корпус муфты Под заказ -
12
151.21.201-6 Корпус муфты Под заказ -
13
151.21.231-2 Валик выключения В наличии шт 987 ₽987 ₽
14
151.21.261-1 Рычаг сервомеханизма Под заказ -
15
7.37.233 Штифт Под заказ -
16
60-21119.00 Кольцо Под заказ -
17
150.21.232 Втулка валика выключения Под заказ -
18
150.21.234-1 Крышка люка Под заказ -
19
150.21.271-4 Рычаг выключения Под заказ -
Содержащиеся в справочниках-каталогах запасные части и детали не предлагаются к продаже, а носят исключительно информационный характер


Наши преимущества