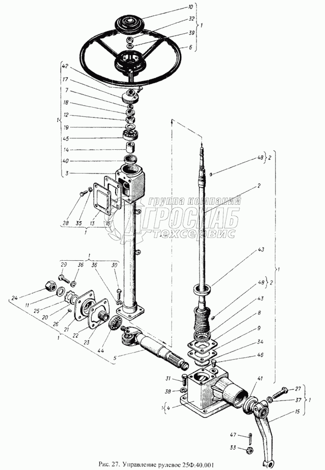
Каталог запасных частей к технике: ХТЗ Т-25Ф. Управление рулевое 25Ф.40.001

Управление рулевое 25Ф.40.001

zoom-in zoom-out enlarge shrink circle-right circle-left file-text2 info cart
2
2
2
2
2
2
2
2
3
3
3
4
5
6
7
8
9
10
11
12
13
14
15
16
17
18
19
20
21
22
23
24
25
26
27
28
29
30
31
32
33
34
35
36
37
37
38
39
40
41
42
43
44
44
45
46
47
48
49
49
Изображение Артикул товара Наименование Наличие Единица измерения Количество Цена Корзина
1
25Ф.40.010-01 Управление рулевое Под заказ -
2
25Ф.40.010 Управление рулевое Под заказ -
3
25Ф.40.011 Вал Под заказ -
4
25Ф.40.012 Колонка Под заказ -
5
25Ф.40.015 Корпус Под заказ -
6
25Ф.40.016 Вал сошки Под заказ -
7
66-3402015-02 Колесо рулевое Под заказ -
8
8.22.165 Кольцо-сальник Под заказ -
9
010.40.115 Прокладка Под заказ -
10
010.40.115-01 Прокладка Под заказ -
11
010.40.137-1 Крышка Под заказ -
12
14.54.105 Шайба Под заказ -
13
25Ф.31.141-01 Гайка Под заказ -
14
25Ф.40.108 Крышка Под заказ -
15
25Ф.40.109 Втулка Под заказ -
16
25Ф.40.117 Сошка Под заказ -
17
25Ф.40.118 Прокладка Под заказ -
18
25Ф.40.124 Крышка Под заказ -
19
25Ф.40.127 Гнездо Под заказ -
20
25Ф.40.132 Шайба Под заказ -
21
25Ф.40.162 Прокладка Под заказ -
22
25Ф.40.166 Крышка Под заказ -
23
25Ф.40.167 Прокладка Под заказ -
24
25Ф.40.168 Винт Под заказ -
25
25Ф.40.169 Гайка Под заказ -
26
25Ф.40.171 Шайба Под заказ -
27
25Ф.40.177 Штифт Под заказ -
28
[Болт М16-6gх60.88.35.019 ГОСТ7795-70] Болт М16-6gх60.88.35.019 ГОСТ7795-70 Под заказ -
29
[Болт М10-6gх20.88.35.019 ГОСТ7796-70] Болт М10-6gх20.88.35.019 ГОСТ7796-70 Под заказ -
30
[Болт М10-6gх25.88.35.019 ГОСТ7796-70] Болт М10-6gх25.88.35.019 ГОСТ7796-70 Под заказ -
31
[Болт М12-6gх30.88.35.019 ГОСТ7796-70] Болт М12-6gх30.88.35.019 ГОСТ7796-70 Под заказ -
32
[Болт М16-6gх40.88.35.019 ГОСТ7796-70] Болт М16-6gх40.88.35.019 ГОСТ7796-70 Под заказ -
33
[Гайка М16х1,5-6Н.8.40.019 ГОСТ5929-70] Гайка М16х1,5-6Н.8.40.019 ГОСТ5929-70 Под заказ -
34
[Гайка М14х1,5-6Н.40.019 ГОСТ5933-73] Гайка М14х1,5-6Н.40.019 ГОСТ5933-73 Под заказ -
35
[Заглушка 52-08кп ГОСТ3111-81] Заглушка 52-08кп ГОСТ3111-81 Под заказ -
36
[Шайба 10Т.65Г.099 ГОСТ6402-70] Шайба 10Т.65Г.099 ГОСТ6402-70 Под заказ -
37
[Шайба 12Т.65Г.099 ГОСТ6402-70] Шайба 12Т.65Г.099 ГОСТ6402-70 Под заказ -
38
[Шайба 16Т.65Г.099 ГОСТ6402-70] Шайба 16Т.65Г.099 ГОСТ6402-70 Под заказ -
39
[Шайба 16.ОТ.65Г.099 ГОСТ6402-70] Шайба 16.ОТ.65Г.099 ГОСТ6402-70 Под заказ -
40
[Шайба С16.01.0115 ГОСТ11371-78] Шайба С16.01.0115 ГОСТ11371-78 Под заказ -
41
[Манжета 1.2-30х52-1 ГОСТ8752-79/ОСТ38.05146-78] Манжета 1.2-30х52-1 ГОСТ8752-79/ОСТ38.05146-78 Под заказ -
42
[Манжета 2.2-38х58-1 ГОСТ8752-79/ОСТ38.05146-78] Манжета 2.2-38х58-1 ГОСТ8752-79/ОСТ38.05146-78 Под заказ -
43
[Масленка 1.3.Ц6хр ГОСТ19853-74] Масленка 1.3.Ц6хр ГОСТ19853-74 Под заказ -
44
977908К Подшипник ГОСТ520-89 Под заказ -
45
205 Подшипник ГОСТ8338-75 Под заказ -
46
305 Подшипник ГОСТ8338-75 Под заказ -
47
[Пробка КГ 3/8".40.019 ОСТ23.1.117-83] Пробка КГ 3/8".40.019 ОСТ23.1.117-83 Под заказ -
48
[Шплинт 3,2х25.016 ГОСТ397-79] Шплинт 3,2х25.016 ГОСТ397-79 Под заказ -
49
[Штифт 8х25 ГОСТ3128-70] Штифт 8х25 ГОСТ3128-70 Под заказ -
Содержащиеся в справочниках-каталогах запасные части и детали не предлагаются к продаже, а носят исключительно информационный характер


Наши преимущества