| № | Изображение | Артикул товара | Наименование | Наличие | Единица измерения | Количество | Цена | Корзина | |
|---|---|---|---|---|---|---|---|---|---|
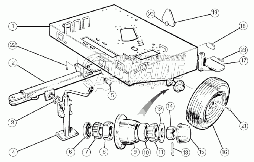
| 1 | GV11600 | Рама-шасси | Под заказ | - | |||||
| 2 | GV30500 | Прицепное устройство | Под заказ | - | |||||
| 3 | GV30023 | Стопорное кольцо | Под заказ | - | |||||
| 4 | GV30001 | Домкрат | Под заказ | - | |||||
| 5 | GV60014 | Резиновый отражатель | Под заказ | - | |||||
| 6 | GV20024 | Сальник колеса | Под заказ | - | |||||
| 7 | GV20025 | Внутреннее коническое кольцо подшипника | Под заказ | - | |||||
| 8 | GV20026 | Наружное кольцо подшипника | Под заказ | - | |||||
| 9 | GV30026 | Ступица колеса | Под заказ | - | |||||
| 10 | GV20027 | Внутреннее коническое кольцо подшипника | Под заказ | - | |||||
| 11 | GV20028 | Наружное кольцо подшипника | Под заказ | - | |||||
| 12 | GV56046 | Плоская шайба 3/4dm | Под заказ | - | |||||
| 13 | GV60012 | Чека | Под заказ | - | |||||
| 14 | GV30027 | Корончатая гайка | Под заказ | - | |||||
| 15 | GV30029 | Пылезащитный колпачок | Под заказ | - | |||||
| 16 | GV30512 | Шина/бандаж, ST205 x 15 | Под заказ | - | |||||
| 17 | GV11620 | Опора разгрузочной трубы | Под заказ | - | |||||
| 18 | GV60015 | Красный отражатель | Под заказ | - | |||||
| 19 | GV68503 | Знак «Медленно движущееся транспортное средство» | Под заказ | - | |||||
| 20 | GV11529 | «Лопатка» «Медленно движущееся транспортное средство» 112409 | Под заказ | - | |||||
| 21 | GV30028 | Болт колеса | Под заказ | - | |||||
| 22 | Шпилька | Шпилька | Под заказ | - | |||||
| 23 | Шпилька | Шпилька | Под заказ | - |