Каталог запасных частей к технике: Красная Звезда СПС-4,2А. Шасси СПТ02000

Шасси СПТ02000

zoom-in zoom-out enlarge shrink circle-right circle-left file-text2 info cart
1
2
3
4
5
6
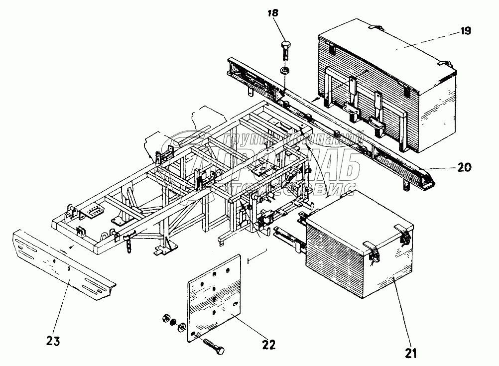
Изображение Артикул товара Наименование Наличие Единица измерения Количество Цена Корзина
1
[Болт М10-6gх20.08.019 ГОСТ7796-70] Болт М10-6gх20.08.019 ГОСТ7796-70 Под заказ -
2
СПТ21000 Противовес Под заказ -
3
СПТ02110 Бампер Под заказ -
4
СПС13000 Противовес Под заказ -
5
СПС02422 Щиток Под заказ -
6
СПС02402 Щиток Под заказ -
Содержащиеся в справочниках-каталогах запасные части и детали не предлагаются к продаже, а носят исключительно информационный характер


Наши преимущества