Каталог запасных частей к технике: Красная Звезда СПС-4,2А. Тяга СПС14110

Тяга СПС14110

zoom-in zoom-out enlarge shrink circle-right circle-left file-text2 info cart
1
2
3
4
5
6
7
8
9
10
Изображение Артикул товара Наименование Наличие Единица измерения Количество Цена Корзина
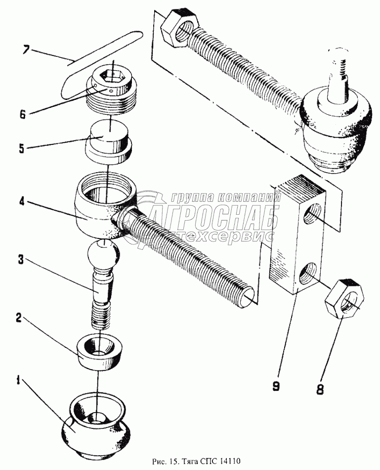
1
СПС14110 Тяга Под заказ -
2
А35.32.005 Чехол уплотнительный Под заказ -
3
А35.32.004 Вкладыш Под заказ -
4
А35.32.002 Палец шаровой Под заказ -
5
А35.32.001 Корпус шарнира Под заказ -
6
А35.32.003 Вкладыш Под заказ -
7
А35.32.006 Пробка Под заказ -
8
[Проволока 2,0х270 ГОСТ03282-74] Проволока 2,0х270 ГОСТ03282-74 Под заказ -
9
70-3003024 Контргайка Под заказ -
10
СПС14924 Кронштейн Под заказ -
Содержащиеся в справочниках-каталогах запасные части и детали не предлагаются к продаже, а носят исключительно информационный характер


Наши преимущества