| № | Изображение | Артикул товара | Наименование | Наличие | Единица измерения | Количество | Цена | Корзина | |
|---|---|---|---|---|---|---|---|---|---|
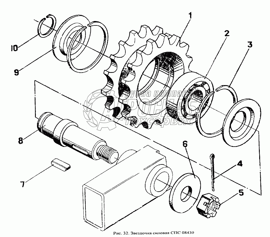
| 1 | СПС08430 | Звездочка силовая | Под заказ | - | |||||
| 2 | СПС08639 | Блок звездочек | Под заказ | - | |||||
| 3 | 18Р306КС17 | Подшипник ГОСТ8882-76 | Под заказ | - | |||||
| 4 | 2С72 | Кольцо ГОСТ13941-86 | Под заказ | - | |||||
| 5 | [Шплинт 4х36.019 ГОСТ397-79] | Шплинт 4х36.019 ГОСТ397-79 | Под заказ | - | |||||
| 6 | [Гайка М20-6Н.8.019 ГОСТ5919-73] | Гайка М20-6Н.8.019 ГОСТ5919-73 | Под заказ | - | |||||
| 7 | КТ4147А | Шайба специальная | Под заказ | - | |||||
| 8 | [Шпонка 8х7х25 ГОСТ23360-78] | Шпонка 8х7х25 ГОСТ23360-78 | Под заказ | - | |||||
| 9 | СПС08641 | Ось | Под заказ | - | |||||
| 10 | ННД35.401 | Шайба защитная ННД35-66 | Под заказ | - | |||||
| 11 | 2С30 | Кольцо ГОСТ13940-86 | Под заказ | - |