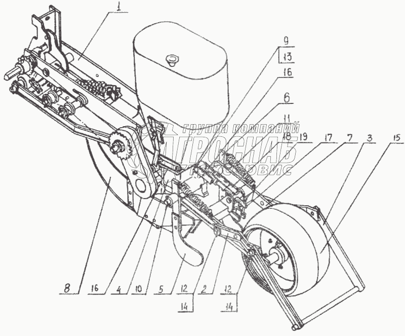
Каталог запасных частей к технике: Красная Звезда СУПН-8А. Секция СУПА 00.2420А

Секция СУПА 00.2420А

zoom-in zoom-out enlarge shrink circle-right circle-left file-text2 info cart
1
2
3
4
5
6
7
8
9
10
11
12
12
13
14
14
15
16
16
17
Изображение Артикул товара Наименование Наличие Единица измерения Количество Цена Корзина
1
Поводковая группа секции Поводковая группа секции Под заказ -
2
СУПА 00.1410 Тяга Под заказ -
3
СУПА.00.1430 Шлейф Под заказ -
4
СУПК 00.1020 Аппарат высевающий Под заказ -
5
СУПК 00.1090 Загортач Под заказ -
6
СУПК 00.1090-01 Загортач Под заказ -
7
СУПК 00.1100 Поводок Под заказ -
8
СУПК 00.1390 Сошник Под заказ -
9
С 4.603-01 Штырь Под заказ -
10
СУПК 00 687 Ось Под заказ -
11
552.7.005 Пружина Под заказ -
12
Шайба 12х2.01.10.019 ГОСТ 11371-87 Шайба 12х2.01.10.019 ГОСТ 11371-87 Под заказ -
13
Шплинт 3,2х18.019 ГОСТ 397-79 Шплинт 3,2х18.019 ГОСТ 397-79 Под заказ -
14
Шплинт 4х22.019 ГОСТ 397-79 Шплинт 4х22.019 ГОСТ 397-79 Под заказ -
15
509.046.210 Колесо Под заказ -
16
СУПК 00.4006 Прокладка Под заказ -
17
509.046.1170 Бункер Под заказ -
Содержащиеся в справочниках-каталогах запасные части и детали не предлагаются к продаже, а носят исключительно информационный характер


Наши преимущества