Каталог запасных частей к технике: Красная Звезда УПС-6 (Веста-6). Подключение тягометра

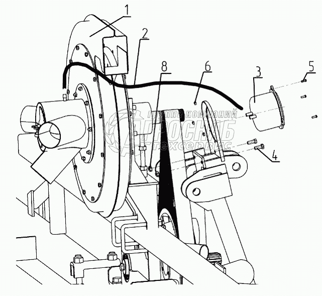
Подключение тягометра

zoom-in zoom-out enlarge shrink circle-right circle-left file-text2 info cart
1
2
3
4
5
6
7
8
9
11
Изображение Артикул товара Наименование Наличие Единица измерения Количество Цена Корзина
1
509.046.6150А Вентилятор Под заказ -
2
СУПА02.004-01 Трубка Под заказ -
3
ТмМП-100М1-У3 Тягометр мембранный показывающий Под заказ -
4
KPCh100-1 Манометр Под заказ -
5
БолтISO4014-M8x16-8.8 Болт M8x16-8.8 Под заказ -
6
ВинтВМ4-6gх10.58.019 Винт ВМ4-6gх10.58.019 Под заказ -
7
ВинтВМ5-6gх10.58.019 Винт ВМ5-6gх10.58.019 Под заказ -
8
ГайкаISO7042-М4-8 Гайка М4-8 Под заказ -
9
ГайкаISO7042-М5-8 Гайка М5-8 Под заказ -
10
СУПА00.4102Б Кронштейн Под заказ -
11
ГайкаISO7042-М8-8 Гайка Под заказ -
Содержащиеся в справочниках-каталогах запасные части и детали не предлагаются к продаже, а носят исключительно информационный характер


Наши преимущества