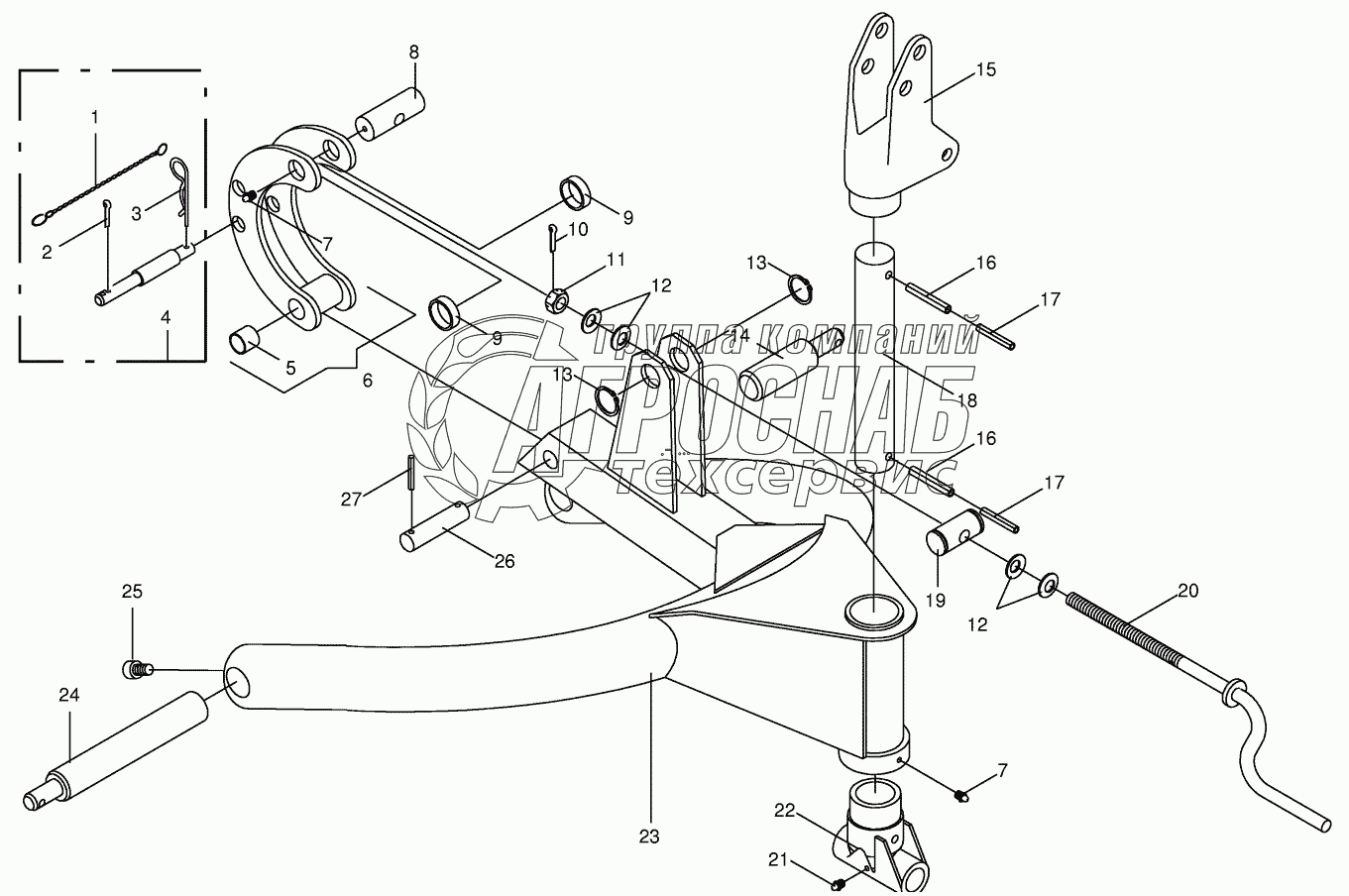
Каталог запасных частей к технике: KRONE AM 283CV. Headstock

Headstock

zoom-in zoom-out enlarge shrink circle-right circle-left file-text2 info cart
1
2
3
4
5
6
6
7
8
9
9
10
11
12
13
14
Изображение Артикул товара Наименование Наличие Единица измерения Количество Цена Корзина
1
009226500 Chain Под заказ -
2
009122871 Cotter pin Под заказ -
3
009171041 Spring clip Под заказ -
4
001441412 Top link pin-cat. I + II Под заказ -
5
009349200 Bearing bush Под заказ -
6
009191050 Grease niple Под заказ -
7
002503730 Coupling female Под заказ -
8
009120691 Cotter pin Под заказ -
9
009115450 Circlip Под заказ -
10
001394740 Lower link pin-cat. II Под заказ -
11
009191060 Grease niple Под заказ -
12
001394750 Lower link pin-left Под заказ -
13
009032050 Allen screw Под заказ -
14
009126782 Roll pin Под заказ -
Содержащиеся в справочниках-каталогах запасные части и детали не предлагаются к продаже, а носят исключительно информационный характер


Наши преимущества