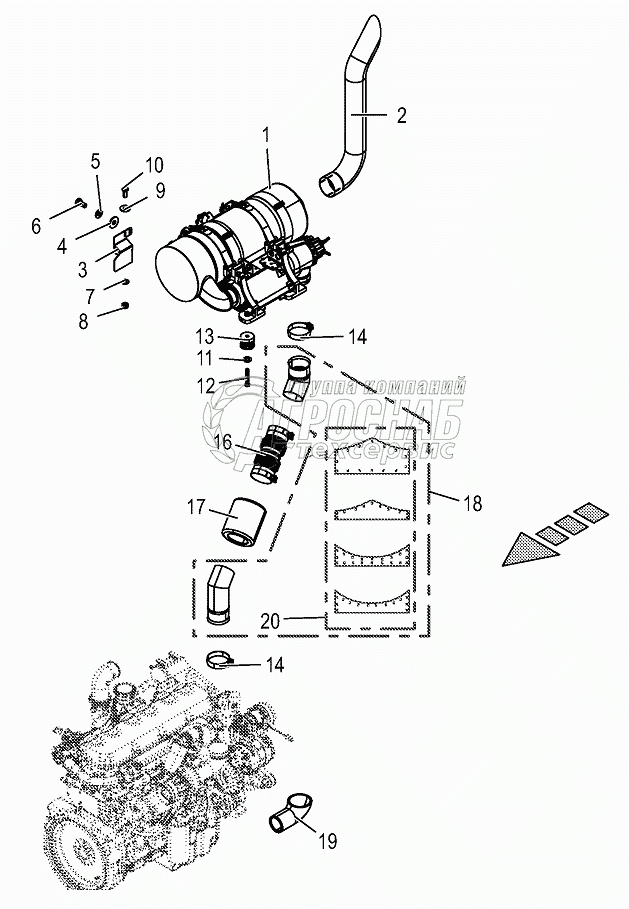
Каталог запасных частей к технике: KRONE BIG-M-420. Exhaust gas equipment

Exhaust gas equipment

zoom-in zoom-out enlarge shrink circle-right circle-left file-text2 info cart
1
2
3
4
5
6
7
8
9
Изображение Артикул товара Наименование Наличие Единица измерения Количество Цена Корзина
1
009106030 Washer Под заказ -
2
009099081 Detent edged washer Под заказ -
3
009006120 Hex head bolt Под заказ -
4
009099091 Detent edged washer Под заказ -
5
009087580 Locknut Под заказ -
6
900001210 Washer Под заказ -
7
009006360 Hex head bolt Под заказ -
8
009099121 Detent edged washer Под заказ -
9
009011421 Hex head bolt Под заказ -
Содержащиеся в справочниках-каталогах запасные части и детали не предлагаются к продаже, а носят исключительно информационный характер


Наши преимущества