Каталог запасных частей к технике: KRONE BIG-M-420. Wiring Harness-engine

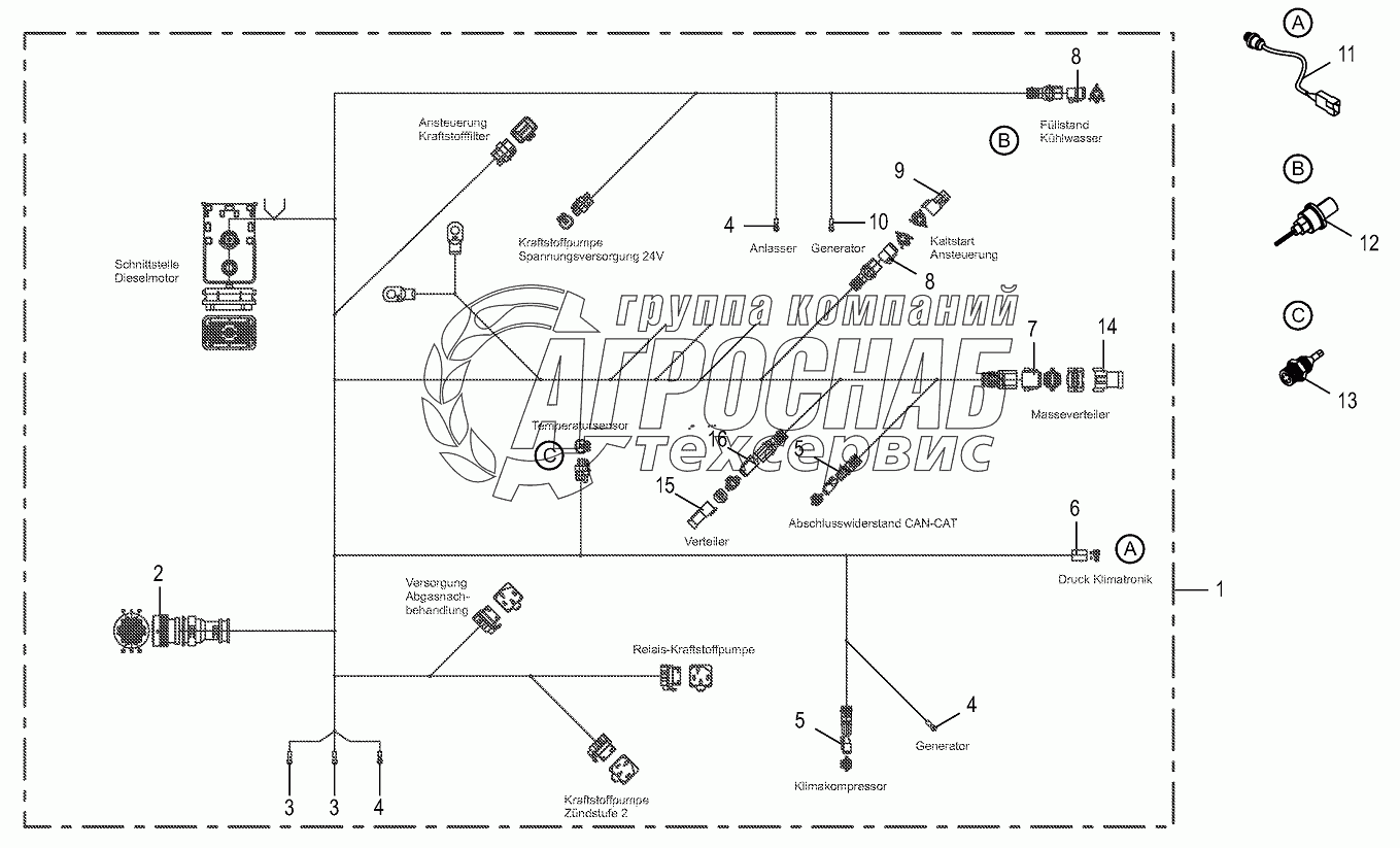
Wiring Harness-engine

zoom-in zoom-out enlarge shrink circle-right circle-left file-text2 info cart
1
1
2
2
2
3
4
Изображение Артикул товара Наименование Наличие Единица измерения Количество Цена Корзина
1
003022770 Cable terminal-blue Под заказ -
2
003018270 Cable terminal-red Под заказ -
3
003050590 Plug-2-pole Под заказ -
4
009401091 Pressure switch Под заказ -
Содержащиеся в справочниках-каталогах запасные части и детали не предлагаются к продаже, а носят исключительно информационный характер


Наши преимущества