Каталог запасных частей к технике: KRONE BIG-M-II. Hydraulics

Hydraulics

zoom-in zoom-out enlarge shrink circle-right circle-left file-text2 info cart
1
2
3
3
4
4
5
5
6
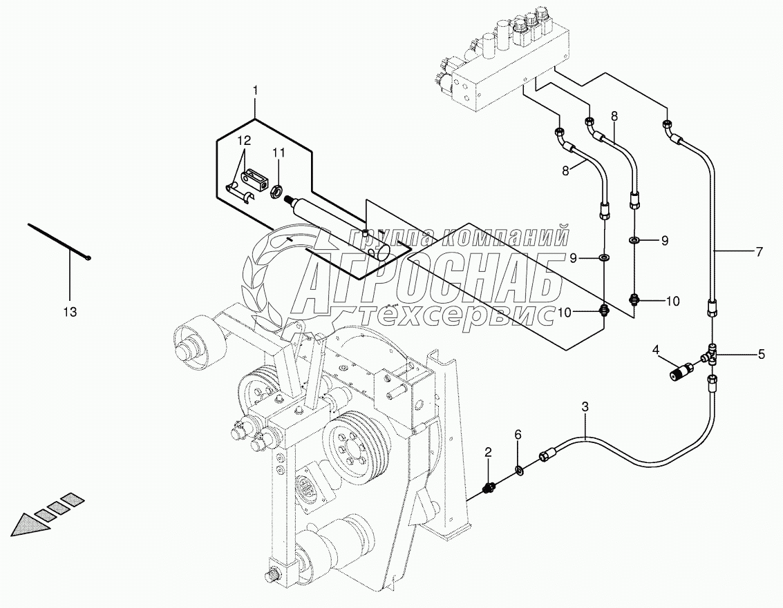
Изображение Артикул товара Наименование Наличие Единица измерения Количество Цена Корзина
1
009197241 Male connector Под заказ -
2
009210252 High pressure hose line Под заказ -
3
009200420 High pressure hose line Под заказ -
4
009192321 Throttling disc Под заказ -
5
009210592 Male connector Под заказ -
6
009226711 Cable band Под заказ -
Содержащиеся в справочниках-каталогах запасные части и детали не предлагаются к продаже, а носят исключительно информационный характер


Наши преимущества