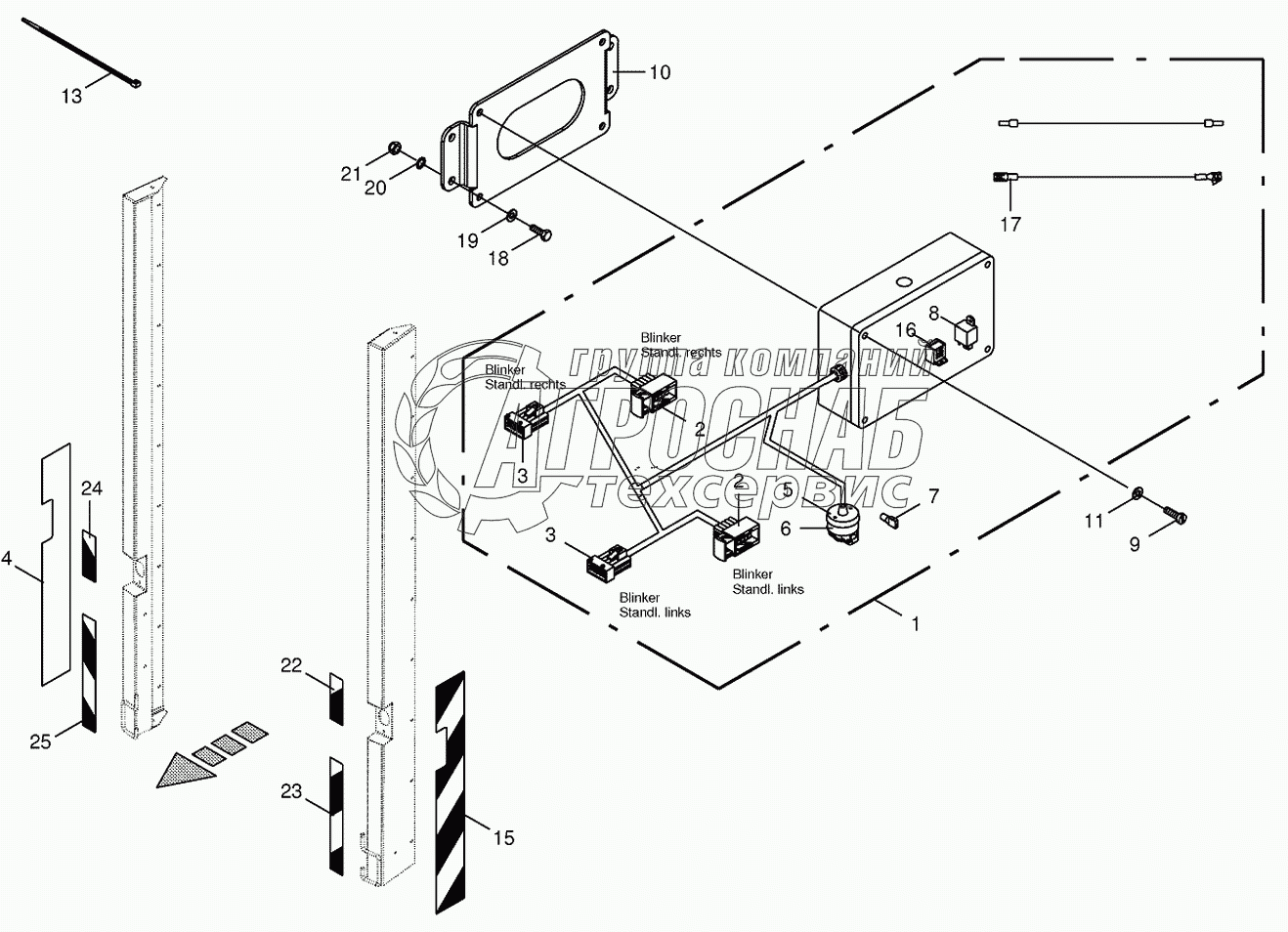
Каталог запасных частей к технике: KRONE BIG-X-500. Indicator/parking light commutation

Indicator/parking light commutation

zoom-in zoom-out enlarge shrink circle-right circle-left file-text2 info cart
1
2
2
3
3
4
5
6
7
8
9
10
11
12
13
14
15
16
17
18
19
20
21
22
23
Изображение Артикул товара Наименование Наличие Единица измерения Количество Цена Корзина
1
200807191 Wiring harness Под заказ -
2
003030730 Bushing housing-10-pole Под заказ -
3
003030840 Plug-10-pole Под заказ -
4
009245170 Socket base Под заказ -
5
009245710 Socket-7-pole Под заказ -
6
003026880 Flat sleeve-red Под заказ -
7
003015540 Reversing relay Под заказ -
8
009034251 Allen screw Под заказ -
9
200271590 Support Под заказ -
10
009103250 Washer Под заказ -
11
009226711 Cable band Под заказ -
12
200931090 Warning foil -right Под заказ -
13
200931100 Warning foil -left Под заказ -
14
003034630 Attachable sleeve housing Под заказ -
15
009246940 Flat sleeve-red Под заказ -
16
009010040 Hex head bolt Под заказ -
17
009104111 Washer Под заказ -
18
900013800 Detent edged washer Под заказ -
19
009087041 Locknut Под заказ -
20
200934110 Warning foil -left front top Под заказ -
21
200934120 Warning foil -left front below Под заказ -
22
200934140 Warning foil -right front top Под заказ -
23
200934130 Warning foil -right front below Под заказ -
Содержащиеся в справочниках-каталогах запасные части и детали не предлагаются к продаже, а носят исключительно информационный характер


Наши преимущества