Каталог запасных частей к технике: KRONE BIG-X-580. Wiring harness - panel

Wiring harness - panel

zoom-in zoom-out enlarge shrink circle-right circle-left file-text2 info cart
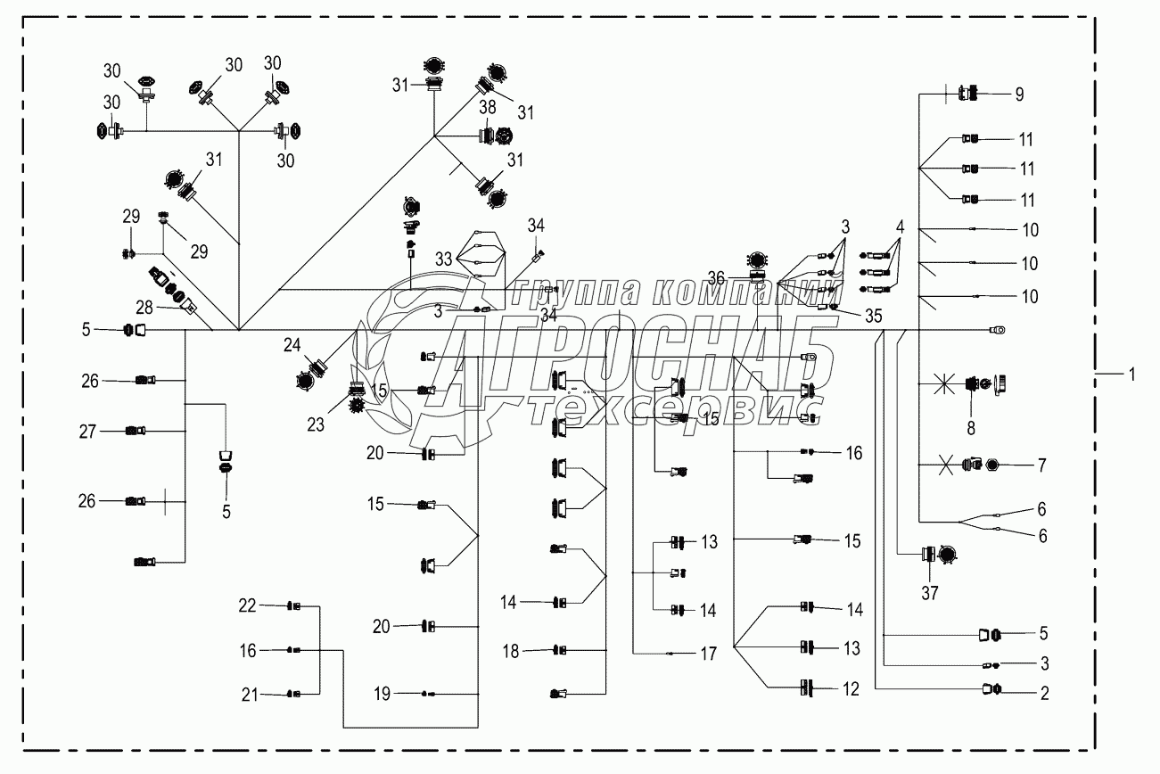
1
2
2
3
4
5
5
5
6
7
7
8
8
8
9
9
10
11
12
13
13
14
15
17
18
18
Изображение Артикул товара Наименование Наличие Единица измерения Количество Цена Корзина
1
200808460 Terminal resistance Под заказ -
2
003026890 Flat sleeve-blue Под заказ -
3
003024720 Connector-7-pole Под заказ -
4
200813810 Socket plug-16-pole Под заказ -
5
003031300 Cable terminal-blue Под заказ -
6
200800821 Соnnесtоr 24-p sосkеt М-fit- Jr.сpl. Под заказ -
7
200800801 Connector 18-p socket M-fit- Jr.cpl. Под заказ -
8
200800781 Connector 14-p socket M-fit- Jr.cpl. Под заказ -
9
003027971 Connecteur 6-p sock. M-fit-Jr. cpl. Под заказ -
10
009440820 Cable terminal-yellow Под заказ -
11
003027991 Connector 12-p socket M-fit- Jr.cpl. Под заказ -
12
200801591 Connector 4-p socket M-fit-Jr. cpl. Под заказ -
13
200800791 Connector 16-p socket M-fit- Jr.cpl. Под заказ -
14
003027981 Connector 8-p socket M-fit-Jr. cpl. Под заказ -
15
003037841 Connector 10-p socket M-fit- Jr.cpl. Под заказ -
16
009246760 Socket-2-pole Под заказ -
17
003026880 Flat sleeve-red Под заказ -
18
003050590 Plug-2-pole Под заказ -
Содержащиеся в справочниках-каталогах запасные части и детали не предлагаются к продаже, а носят исключительно информационный характер


Наши преимущества