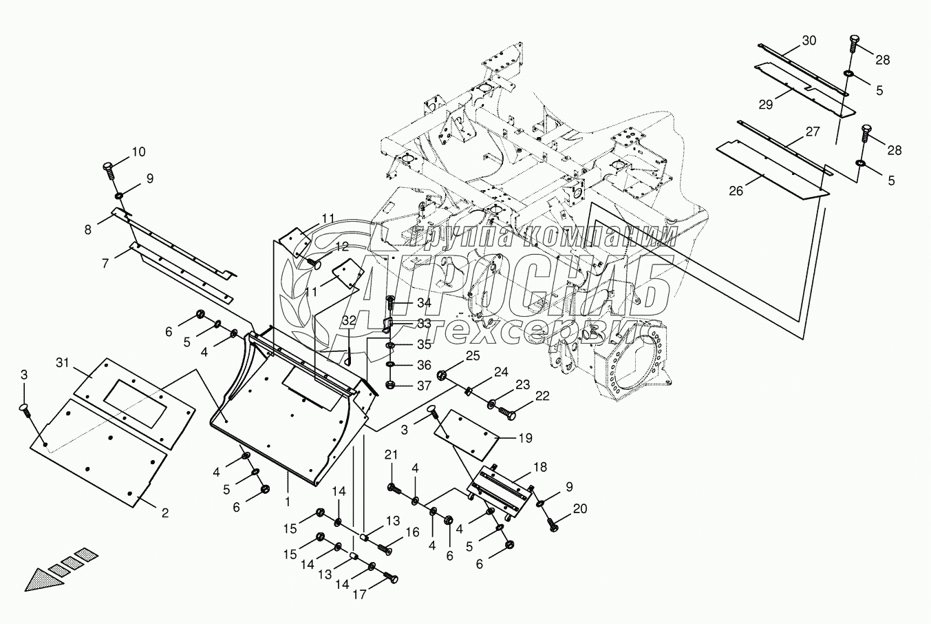
Каталог запасных частей к технике: KRONE BIG-X-600. Transfer channel -spring-mounted

Transfer channel -spring-mounted

zoom-in zoom-out enlarge shrink circle-right circle-left file-text2 info cart
2
4
5
5
6
6
6
6
6
7
7
7
7
7
8
8
8
8
9
10
11
11
12
13
13
14
15
15
16
16
16
17
17
18
19
20
22
23
24
25
26
27
29
30
31
32
32
33
34
35
37
38
39
40
41
42
Изображение Артикул товара Наименование Наличие Единица измерения Количество Цена Корзина
1
202212140 Transfer shaft long Под заказ -
2
200242553 Transfer channel Под заказ -
3
200259900 Wearing plate-front-HD Под заказ -
4
200256861 Wearing plate-front Под заказ -
5
900013760 Countersunkscrew Под заказ -
6
009104140 Washer Под заказ -
7
009099091 Detent edged washer Под заказ -
8
009087580 Locknut Под заказ -
9
002280663 Gasket Под заказ -
10
200219330 Screw-on strip Под заказ -
11
009099101 Detent edged washer Под заказ -
12
009006570 Hex head bolt Под заказ -
13
200242580 Wearing plate -lateral Под заказ -
14
009048501 Coach bolt Под заказ -
15
001892190 Bushing Под заказ -
16
009103031 Washer Под заказ -
17
009087190 Locknut Под заказ -
18
900012350 Countersunkscrew Под заказ -
19
009011371 Hex head bolt Под заказ -
20
200242560 Bottom flap Под заказ -
21
200259920 Wearing plate-HD optional Под заказ -
22
200242590 Wearing plate Под заказ -
23
009006560 Hex head bolt Под заказ -
24
009014340 Hex head bolt Под заказ -
25
009003021 Hex head bolt Под заказ -
26
009103200 Washer Под заказ -
27
002280533 Enclosure Под заказ -
28
200268580 Enclosure Под заказ -
29
009087010 Locknut Под заказ -
30
200215831 Cover-front Под заказ -
31
200215840 Clamping strap-front Под заказ -
32
009006370 Hex head bolt Под заказ -
33
200215850 Cover-top Под заказ -
34
200215860 Clamping strap-top Под заказ -
35
200256870 Wearing plate -back Под заказ -
36
200259910 Wearing plate-back-HD Под заказ -
37
202211480 Slide right Bl 6 x121x61 Под заказ -
38
202211490 Slide left Bl 6 x134x68 Под заказ -
39
009047322 Coach bolt Под заказ -
40
009106030 Washer Под заказ -
41
009099081 Detent edged washer Под заказ -
42
009087060 Locknut Под заказ -
Содержащиеся в справочниках-каталогах запасные части и детали не предлагаются к продаже, а носят исключительно информационный характер


Наши преимущества