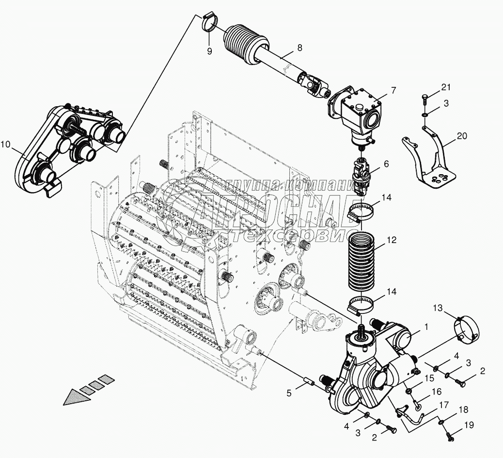
Каталог запасных частей к технике: KRONE BIG-X-600. Drive-feed rollers

Drive-feed rollers

zoom-in zoom-out enlarge shrink circle-right circle-left file-text2 info cart
1
1
2
2
2
3
3
4
5
6
7
8
9
10
10
11
12
13
14
15
16
Изображение Артикул товара Наименование Наличие Единица измерения Количество Цена Корзина
1
009003491 Hex head bolt Под заказ -
2
009099121 Detent edged washer Под заказ -
3
009103031 Washer Под заказ -
4
200259880 Tube Под заказ -
5
009559870 Double universal joint Под заказ -
6
270070570 Pto drive shaft Под заказ -
7
009240070 Tube clip Под заказ -
8
200273813 Roller gear top assembl. Под заказ -
9
200275890 Retaining ring Под заказ -
10
900021590 Worm drive clamp A 110-130/ 9-2 Под заказ -
11
009087060 Locknut Под заказ -
12
002804002 Eyebolt Под заказ -
13
200277510 Pto drive shaft support Под заказ -
14
009099081 Detent edged washer Под заказ -
15
009006160 Hex head bolt Под заказ -
16
009006730 Hex head bolt Под заказ -
Содержащиеся в справочниках-каталогах запасные части и детали не предлагаются к продаже, а носят исключительно информационный характер


Наши преимущества