Каталог запасных частей к технике: KRONE BIG-X-630. Hydraulics - sieve drive

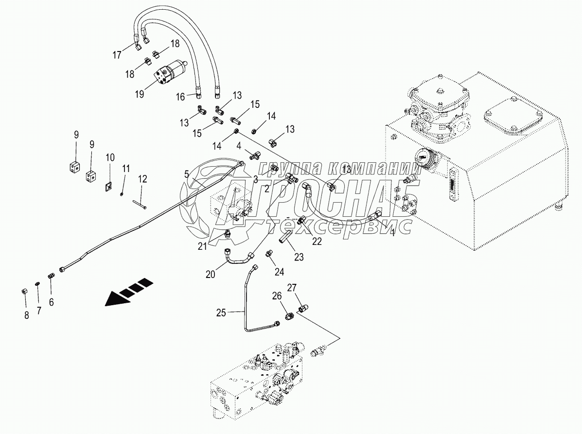
Hydraulics - sieve drive

zoom-in zoom-out enlarge shrink circle-right circle-left file-text2 info cart
1
2
3
4
5
6
7
8
8
8
8
9
9
10
10
11
11
12
13
14
15
16
Изображение Артикул товара Наименование Наличие Единица измерения Количество Цена Корзина
1
009210791 Adjustable L connection Под заказ -
2
900018010 Reducer fitting Под заказ -
3
009199670 Adjustable L connection Под заказ -
4
009193020 Connector Под заказ -
5
009199620 Nozzle disc cap Под заказ -
6
009099061 Detent edged washer Под заказ -
7
009010040 Hex head bolt Под заказ -
8
009199650 Angle lug Под заказ -
9
009085060 Hex nut-low form Под заказ -
10
009199630 Straight 2-way connector Под заказ -
11
900014700 Male connector Под заказ -
12
009210602 Male connector Под заказ -
13
009193030 Male connector Под заказ -
14
009199640 Male connector Под заказ -
15
009199700 Reducer fitting Под заказ -
16
009210671 Angle lug Под заказ -
Содержащиеся в справочниках-каталогах запасные части и детали не предлагаются к продаже, а носят исключительно информационный характер


Наши преимущества