Каталог запасных частей к технике: KRONE BIG-X-650. Wiring Harness- valve block

Wiring Harness- valve block

zoom-in zoom-out enlarge shrink circle-right circle-left file-text2 info cart
1
2
2
2
3
4
5
5
5
5
5
5
5
5
5
5
5
5
5
5
5
5
6
7
8
9
9
10
11
12
12
12
13
14
15
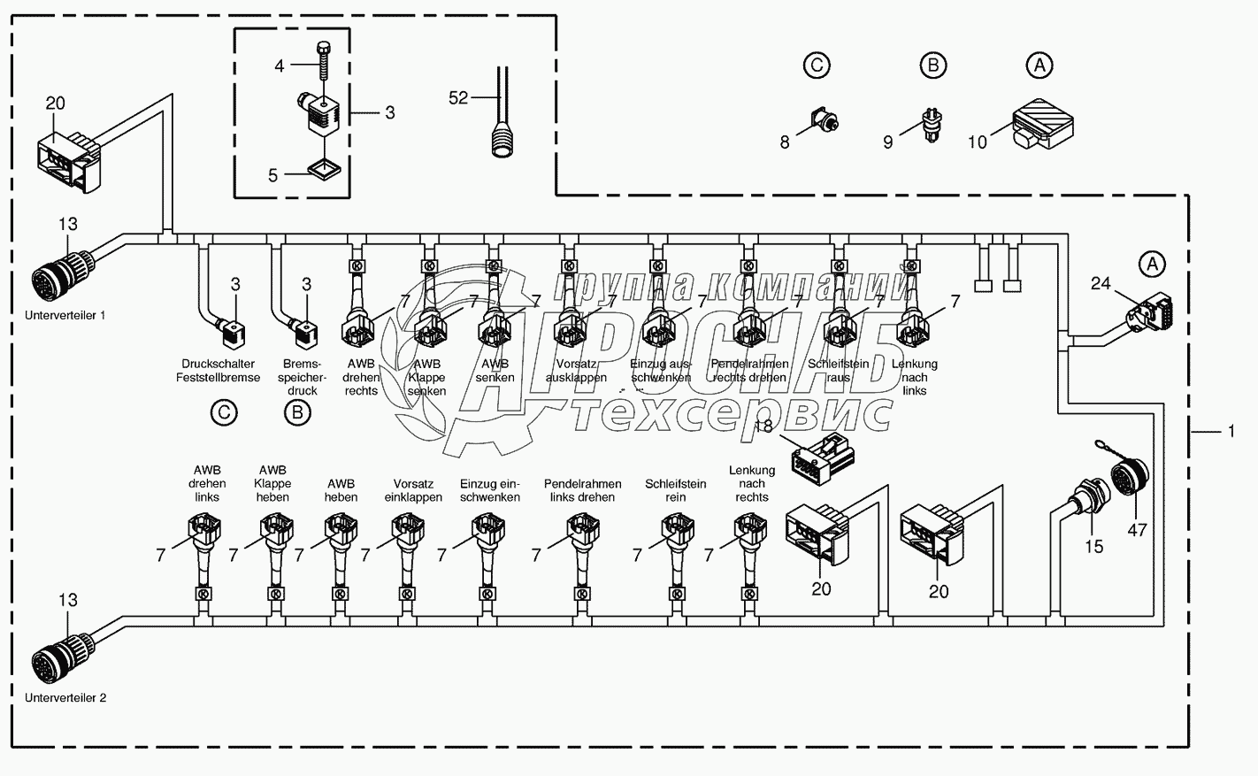
Изображение Артикул товара Наименование Наличие Единица измерения Количество Цена Корзина
1
003031495 Wiring harness Под заказ -
2
003023590 Valve plug-black Под заказ -
3
003021820 Screw with straight-line curls Под заказ -
4
003011860 Gasket Под заказ -
5
003031140 Jet-plug-2-pole Под заказ -
6
003021891 Pressure switch Под заказ -
7
003020230 Pressure switch Под заказ -
8
200803000 Electr.mowingtable control Под заказ -
9
003024310 Plug-31-pole Под заказ -
10
003024301 Socket-31-pole Под заказ -
11
003030840 Plug-10-pole Под заказ -
12
003030730 Bushing housing-10-pole Под заказ -
13
003025410 CAN-plug EMR-16-pole Под заказ -
14
003033470 Blind-plug Под заказ -
15
003031971 Terminal resistance Под заказ -
Содержащиеся в справочниках-каталогах запасные части и детали не предлагаются к продаже, а носят исключительно информационный характер


Наши преимущества