Каталог запасных частей к технике: KRONE BIG-X-650. Crop flow -HD parts

Crop flow -HD parts

zoom-in zoom-out enlarge shrink circle-right circle-left file-text2 info cart
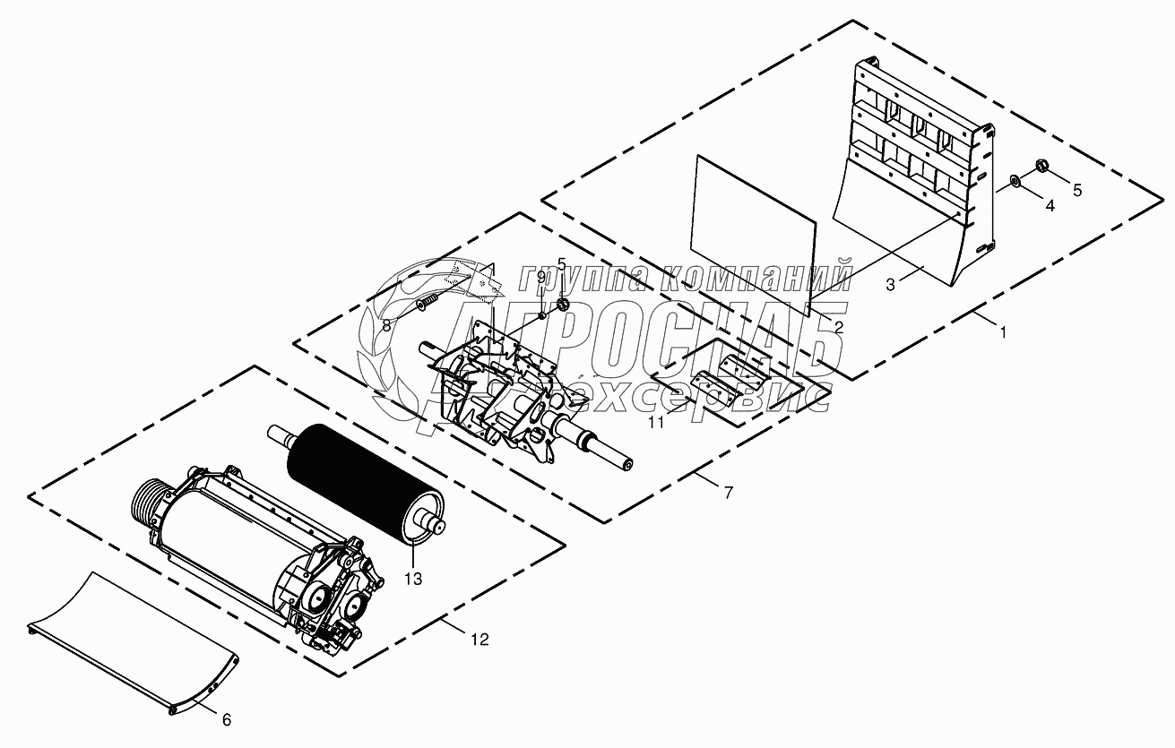
1
2
3
4
5
5
6
7
8
9
10
11
12
13
14
Изображение Артикул товара Наименование Наличие Единица измерения Количество Цена Корзина
1
200202580 Discharge accelerator rear panel-cpl. Под заказ -
2
200202620 Rear panel Под заказ -
3
200202590 Rear panel Под заказ -
4
009103200 Washer Под заказ -
5
009087010 Locknut Под заказ -
6
200202570 Drum base Под заказ -
7
200233580 Rotor Под заказ -
8
009040653 Countersunkscrew Под заказ -
9
002276802 Bushing Под заказ -
10
200208560 Elevator paddle-by pairs Под заказ -
11
200229490 Grain conditioner Под заказ -
12
200236060 Grain conditioner Под заказ -
13
200221130 Roller-chromed Под заказ -
14
200221140 Roller-chromed Под заказ -
Содержащиеся в справочниках-каталогах запасные части и детали не предлагаются к продаже, а носят исключительно информационный характер


Наши преимущества