| № | Изображение | Артикул товара | Наименование | Наличие | Единица измерения | Количество | Цена | Корзина | |
|---|---|---|---|---|---|---|---|---|---|
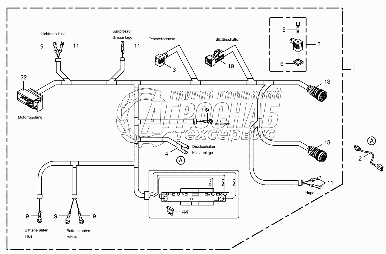
| 1 | 003035226 | Wiring harness | Под заказ | - | |||||
| 2 | 009401091 | Pressure switch | Под заказ | - | |||||
| 3 | 003023590 | Valve plug-black | Под заказ | - | |||||
| 4 | 003050600 | Plug-2-pole | Под заказ | - | |||||
| 5 | 003021820 | Screw with straight-line curls | Под заказ | - | |||||
| 6 | 003011860 | Gasket | Под заказ | - | |||||
| 7 | 003018270 | Cable terminal-red | Под заказ | - | |||||
| 8 | 009440820 | Cable terminal-yellow | Под заказ | - | |||||
| 9 | 003031300 | Cable terminal-blue | Под заказ | - | |||||
| 10 | 003037560 | Cable terminal-yellow | Под заказ | - | |||||
| 11 | 003026880 | Flat sleeve-red | Под заказ | - | |||||
| 12 | 003024310 | Plug-31-pole | Под заказ | - | |||||
| 13 | 003030850 | Plug-6-pole | Под заказ | - | |||||
| 14 | 003030830 | Bushing housing-16-pole | Под заказ | - | |||||
| 15 | 003021960 | Flat fuse | Под заказ | - |