Каталог запасных частей к технике: KRONE BIG-X-650. Auger-gearbox

Auger-gearbox

zoom-in zoom-out enlarge shrink circle-right circle-left file-text2 info cart
2
3
4
5
6
7
8
8
8
9
10
11
11
12
13
14
15
26
16
17
18
19
20
20
20
21
22
23
24
25
15
26
27
28
29
30
31
32
32
33
34
35
36
37
38
39
40
41
42
43
43
43
44
45
46
47
48
49
50
51
52
53
54
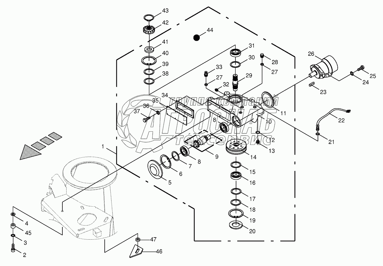
Изображение Артикул товара Наименование Наличие Единица измерения Количество Цена Корзина
1
009403170 Sealing set Под заказ -
2
002158520 Auger-gearbox Под заказ -
3
009032140 Allen screw Под заказ -
4
009099041 Detent edged washer Под заказ -
5
009103270 Washer Под заказ -
6
009252002 Sealing cap Под заказ -
7
009116800 Circlip Под заказ -
8
009109470 Shim ring Под заказ -
9
009109460 Shim ring Под заказ -
10
009109450 Shim ring Под заказ -
11
009321650 Taper roller bearing Под заказ -
12
002158470 Auger with bucket wheel Под заказ -
13
002158513 Housing Под заказ -
14
009375140 O-ring Под заказ -
15
009377161 Gasket ring Под заказ -
16
009060170 Screw plug Под заказ -
17
002158501 Worm gearwheel Под заказ -
18
009107321 Supporting disc Под заказ -
19
009321630 Taper roller bearing Под заказ -
20
009110241 Shim ring Под заказ -
21
009108760 Shim ring Под заказ -
22
009110230 Shim ring Под заказ -
23
009107411 Supporting disc Под заказ -
24
009116730 Circlip Под заказ -
25
009252052 Sealing cap Под заказ -
26
009377161 Gasket ring Под заказ -
27
003024480 Sensor Под заказ -
28
009150721 Fit-in key Под заказ -
29
009099110 Detent edged washer Под заказ -
30
009031391 Allen screw Под заказ -
31
009212790 Hydraulic motor Под заказ -
32
009377270 Gasket ring Под заказ -
33
009060101 Screw plug Под заказ -
34
002158380 Outlet shaft Под заказ -
35
009371850 Nilos-ring Под заказ -
36
009321660 Taper roller bearing Под заказ -
37
009191050 Grease niple Под заказ -
38
009198111 Breather Под заказ -
39
002158440 Housing gasket Под заказ -
40
002158450 Gearbox cover Под заказ -
41
009099081 Detent edged washer Под заказ -
42
009006140 Hex head bolt Под заказ -
43
009111680 Shim ring Под заказ -
44
009111660 Shim ring Под заказ -
45
009111650 Shim ring Под заказ -
46
009107460 Supporting disc Под заказ -
47
009116860 Circlip Под заказ -
48
009364081 Radial-shaft sealing ring Под заказ -
49
002158371 Pinion Под заказ -
50
009115530 Circlip Под заказ -
51
009261010 Oil-Id.-no.=1ltr Под заказ -
52
002713881 Spacer bushing Под заказ -
53
200244090 Stiffener Под заказ -
54
003372393 Guide tube Под заказ -
Содержащиеся в справочниках-каталогах запасные части и детали не предлагаются к продаже, а носят исключительно информационный характер


Наши преимущества