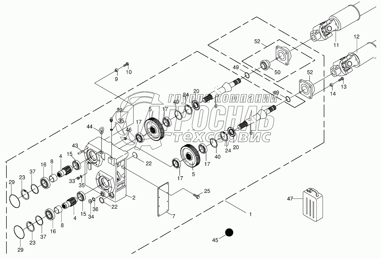
Каталог запасных частей к технике: KRONE BIG-X-650. Auxiliary gearbox/Drive

Auxiliary gearbox/Drive

zoom-in zoom-out enlarge shrink circle-right circle-left file-text2 info cart
1
2
3
3
4
4
5
5
6
7
7
8
9
10
11
12
13
14
14
15
15
16
16
16
16
17
17
18
18
19
19
20
20
21
22
22
23
24
25
26
26
27
28
29
30
30
31
32
33
33
34
35
36
37
38
39
40
41
41
42
43
43
Изображение Артикул товара Наименование Наличие Единица измерения Количество Цена Корзина
1
009558071 Auxiliary gearbox Под заказ -
2
009557200 Gearbox housing Под заказ -
3
009557210 Spur wheel shaft Под заказ -
4
009558110 Spur gear Под заказ -
5
002146100 Shaft Под заказ -
6
009557240 Cover Под заказ -
7
009557250 Bushing Под заказ -
8
002257162 Bushing Под заказ -
9
009006780 Hex head bolt Под заказ -
10
009560943 Pto drive shaft Под заказ -
11
009560961 Pto drive shaft Под заказ -
12
009003021 Hex head bolt Под заказ -
13
002223132 Bushing Под заказ -
14
009321540 Taper roller bearing Под заказ -
15
009321090 Taper roller bearing Под заказ -
16
009321100 Taper roller bearing Под заказ -
17
009360760 Radial-shaft sealing ring Под заказ -
18
009556410 Cap Под заказ -
19
009116800 Circlip Под заказ -
20
009116860 Circlip Под заказ -
21
009006140 Hex head bolt Под заказ -
22
009375880 O-ring Под заказ -
23
009198360 Breather Под заказ -
24
009060071 Screw plug Под заказ -
25
009060050 Screw plug Под заказ -
26
009377210 Gasket ring Под заказ -
27
009377511 Gasket ring Под заказ -
28
009109430 Shim ring Под заказ -
29
009109440 Shim ring Под заказ -
30
009109450 Shim ring Под заказ -
31
009111660 Shim ring Под заказ -
32
009111650 Shim ring Под заказ -
33
009111680 Shim ring Под заказ -
34
009034100 Stud bolt Под заказ -
35
009062000 Eyebolt Под заказ -
36
009260240 Oil-Id.-no.= 1ltr Под заказ -
37
002191440 Screw plug Под заказ -
38
009260280 Oil-Id.-no.= 5ltr Под заказ -
39
009108940 Shim ring Под заказ -
40
009108980 Shim ring Под заказ -
41
009108990 Shim ring Под заказ -
42
009346370 Grooved ball bearing-incl. threaded pin Под заказ -
43
009340370 Flange bearing Под заказ -
Содержащиеся в справочниках-каталогах запасные части и детали не предлагаются к продаже, а носят исключительно информационный характер


Наши преимущества