Каталог запасных частей к технике: KRONE BIG-X-650. Duct nozzle

Duct nozzle

zoom-in zoom-out enlarge shrink circle-right circle-left file-text2 info cart
2
3
4
4
4
5
5
5
5
6
7
8
9
10
11
12
13
14
15
16
17
17
18
19
20
21
22
22
23
24
25
26
27
28
29
30
30
31
32
33
34
34
35
36
37
37
38
39
40
41
42
43
44
45
46
47
47
47
48
49
50
50
51
52
53
54
55
55
55
56
57
58
59
59
60
60
61
62
63
64
65
65
66
67
68
69
Изображение Артикул товара Наименование Наличие Единица измерения Количество Цена Корзина
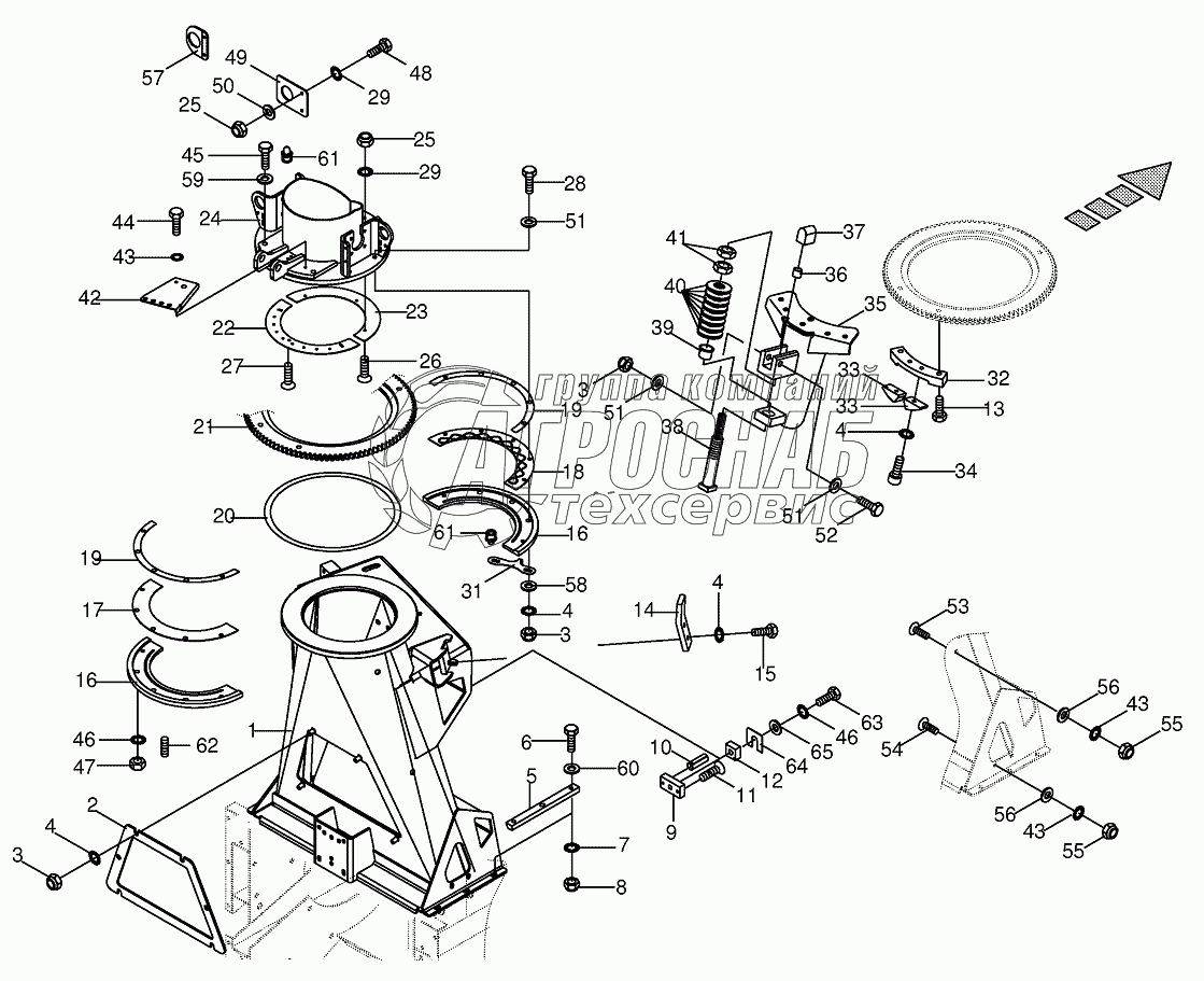
1
202214360 Sensor plate middle Под заказ -
2
002156505 Duct nozzle Под заказ -
3
002195582 Cover Под заказ -
4
009087010 Locknut Под заказ -
5
009099101 Detent edged washer Под заказ -
6
002261293 Pressure piece Под заказ -
7
009010131 Hex head bolt Под заказ -
8
009099091 Detent edged washer Под заказ -
9
009087580 Locknut Под заказ -
10
002173660 Thread block Под заказ -
11
009126712 Roll pin Под заказ -
12
009040241 Countersunkscrew Под заказ -
13
002261390 Enclosure Под заказ -
14
009011321 Hex head bolt Под заказ -
15
002173721 Support Под заказ -
16
009006570 Hex head bolt Под заказ -
17
002260292 Clamping piece Под заказ -
18
002260261 Spacing washer Под заказ -
19
002260251 Approach disc Под заказ -
20
200244940 Distance spacer Под заказ -
21
002173751 Distance spacer Под заказ -
22
200244950 Distance spacer Под заказ -
23
200244960 Distance spacer Под заказ -
24
200244970 Distance spacer Под заказ -
25
002173760 Distance spacer Под заказ -
26
002158360 Tooth rim Под заказ -
27
002173730 Approach disc Под заказ -
28
002173740 Spacing washer Под заказ -
29
002260306 Bearing ring Под заказ -
30
009087041 Locknut Под заказ -
31
009040232 Countersunkscrew Под заказ -
32
009040310 Countersunkscrew Под заказ -
33
009011220 He head bolt Под заказ -
34
009099061 Detent edged washer Под заказ -
35
002261274 Angle Под заказ -
36
002261312 Latch bearing Под заказ -
37
002260381 Trap Под заказ -
38
009031391 Allen screw Под заказ -
39
002260443 Spring support Под заказ -
40
009349570 Bearing bush Под заказ -
41
002260351 Cam Под заказ -
42
002260344 Shaft Под заказ -
43
009349090 Collar bush Под заказ -
44
009099310 Belleville spring Под заказ -
45
009085401 Hex nut-low form Под заказ -
46
002173772 Hose support Под заказ -
47
009099081 Detent edged washer Под заказ -
48
009002531 Hex head bolt Под заказ -
49
009011411 Hex head bolt Под заказ -
50
009099121 Detent edged washer Под заказ -
51
009087190 Locknut Под заказ -
52
009002391 Hex head bolt Под заказ -
53
200205700 Plug retainer Под заказ -
54
009104111 Washer Под заказ -
55
009105061 Washer Под заказ -
56
009014580 Hex head bolt Под заказ -
57
009052311 Coach bolt Под заказ -
58
009052331 Coach bolt Под заказ -
59
009087060 Locknut Под заказ -
60
009106030 Washer Под заказ -
61
0010 not for this machine Под заказ -
62
009106090 Washer Под заказ -
63
009103031 Washer Под заказ -
64
009104140 Washer Под заказ -
65
009191050 Grease niple Под заказ -
66
900000640 Threaded pin Под заказ -
67
009006780 Hex head bolt Под заказ -
68
002192111 Enclosure Под заказ -
69
009103270 Washer Под заказ -
Содержащиеся в справочниках-каталогах запасные части и детали не предлагаются к продаже, а носят исключительно информационный характер


Наши преимущества