Каталог запасных частей к технике: KRONE BIG-X-700. Transfer channel - spring-mounted

Transfer channel - spring-mounted

zoom-in zoom-out enlarge shrink circle-right circle-left file-text2 info cart
1
2
3
3
4
4
5
5
5
5
5
6
6
6
6
6
7
7
7
7
8
9
10
10
11
12
12
13
14
14
15
15
15
16
16
17
18
19
20
21
21
22
23
24
25
26
26
27
28
29
30
31
31
32
33
34
35
35
Изображение Артикул товара Наименование Наличие Единица измерения Количество Цена Корзина
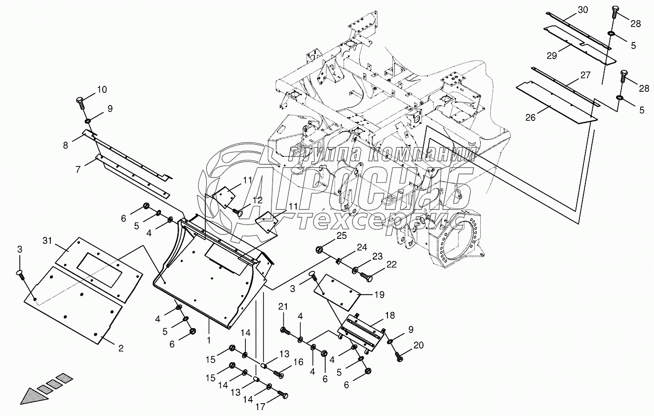
1
200242553 Transfer channel Под заказ -
2
200256861 Wearing plate-front Под заказ -
3
200259900 Wearing plate-front-HD Под заказ -
4
900013760 Countersunkscrew Под заказ -
5
009104140 Washer Под заказ -
6
009099091 Detent edged washer Под заказ -
7
009087580 Locknut Под заказ -
8
002280663 Gasket Под заказ -
9
200219330 Screw-on strip Под заказ -
10
009099101 Detent edged washer Под заказ -
11
009006570 Hex head bolt Под заказ -
12
200242580 Wearing plate -lateral Под заказ -
13
009048501 Coach bolt Под заказ -
14
001892190 Bushing Под заказ -
15
009103031 Washer Под заказ -
16
009087190 Locknut Под заказ -
17
900012350 Countersunkscrew Под заказ -
18
009011371 Hex head bolt Под заказ -
19
200242560 Bottom flap Под заказ -
20
200242590 Wearing plate Под заказ -
21
200259920 Wearing plate-HD optional Под заказ -
22
009006560 Hex head bolt Под заказ -
23
009014340 Hex head bolt Под заказ -
24
009003041 Hex head bolt Под заказ -
25
009103200 Washer Под заказ -
26
200268580 Enclosure Под заказ -
27
002280533 Enclosure Под заказ -
28
009087010 Locknut Под заказ -
29
200215831 Cover-front Под заказ -
30
200215840 Clamping strap-front Под заказ -
31
009006370 Hex head bolt Под заказ -
32
200215850 Cover-top Под заказ -
33
200215860 Clamping strap-top Под заказ -
34
200256870 Wearing plate -back Под заказ -
35
200259910 Wearing plate-back-HD Под заказ -
Содержащиеся в справочниках-каталогах запасные части и детали не предлагаются к продаже, а носят исключительно информационный характер


Наши преимущества