Каталог запасных частей к технике: KRONE BIG-X-800. Sharpening

Sharpening

zoom-in zoom-out enlarge shrink circle-right circle-left file-text2 info cart
1
2
3
3
3
4
5
6
7
8
9
10
11
12
13
13
14
15
16
17
18
19
20
21
22
22
23
24
25
25
26
26
27
27
28
28
29
30
30
31
31
32
32
33
33
34
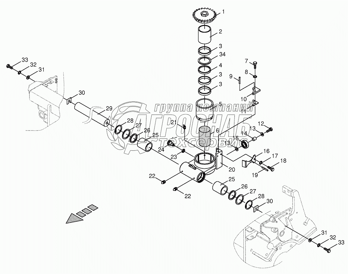
Изображение Артикул товара Наименование Наличие Единица измерения Количество Цена Корзина
1
200233380 Adjusting wheel Под заказ -
2
002223961 Bushing Под заказ -
3
002223941 Lock collar Под заказ -
4
002223952 Intermediate ring Под заказ -
5
002223935 Retainer Под заказ -
6
002223643 Grindstone Под заказ -
7
009006370 Hex head bolt Под заказ -
8
009099091 Detent edged washer Под заказ -
9
009126062 Roll pin Под заказ -
10
002154300 Slide block Под заказ -
11
002141750 Enclosure Под заказ -
12
009003021 Hex head bolt Под заказ -
13
009108030 Shim ring Под заказ -
14
002154320 Bushing Под заказ -
15
009380810 Grooved ball bearing Под заказ -
16
002154330 Safety catch Под заказ -
17
009099081 Detent edged washer Под заказ -
18
009006170 Hex head bolt Под заказ -
19
009126132 Roll pin Под заказ -
20
002154340 Grinding carriage Под заказ -
21
009191060 Grease niple Под заказ -
22
009191050 Grease niple Под заказ -
23
009085212 Hex nut-low form Под заказ -
24
009403140 Stop bolt Под заказ -
25
009304980 Linear ball bearing Под заказ -
26
009360540 Radial-shaft sealing ring Под заказ -
27
009107031 Supporting disc Под заказ -
28
009116640 Circlip Под заказ -
29
002247310 Shaft Под заказ -
30
002192111 Enclosure Под заказ -
31
009103620 Washer Под заказ -
32
009099121 Detent edged washer Под заказ -
33
009006770 Hex head bolt Под заказ -
34
009107470 Supporting disc Под заказ -
Содержащиеся в справочниках-каталогах запасные части и детали не предлагаются к продаже, а носят исключительно информационный характер


Наши преимущества