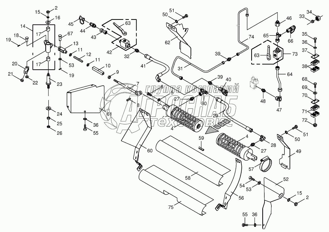
Каталог запасных частей к технике: KRONE BIG-X-800. Hydraulic parking brake

Hydraulic parking brake

zoom-in zoom-out enlarge shrink circle-right circle-left file-text2 info cart
2
2
3
3
4
5
6
7
8
9
10
11
11
12
13
14
15
16
16
17
18
18
19
20
20
21
22
23
24
25
26
27
28
28
29
30
31
32
33
34
35
36
37
38
39
39
39
40
41
42
42
43
44
45
46
47
48
49
50
51
52
53
53
54
54
55
56
56
57
58
58
59
60
61
62
63
64
65
66
66
67
68
69
70
71
72
73
74
75
76
77
78
Изображение Артикул товара Наименование Наличие Единица измерения Количество Цена Корзина
1
009188010 Sealing set Под заказ -
2
009082150 Hex nut Под заказ -
3
009402021 Parking break cylinder Под заказ -
4
009103200 Washer Под заказ -
5
009006560 Hex head bolt Под заказ -
6
002145910 Adjusting rod-left Под заказ -
7
002145920 Adjusting rod-right Под заказ -
8
009127442 Roll pin Под заказ -
9
009085020 Hex nut-left-hand thread Под заказ -
10
002145810 Spacer Под заказ -
11
009085151 Hex nut-low form Под заказ -
12
002866850 Threaded rod Под заказ -
13
900001830 Clevis Под заказ -
14
200202451 Angle lever-right Под заказ -
15
200202471 Angle lever-left Под заказ -
16
009099101 Detent edged washer Под заказ -
17
009106090 Washer Под заказ -
18
009353330 Bearing bush Под заказ -
19
009160340 Pin Под заказ -
20
009120661 Cotter pin Под заказ -
21
002217671 Clevis Под заказ -
22
009082120 Hex nut Под заказ -
23
009105102 Washer Под заказ -
24
002247771 Arbor Под заказ -
25
009103620 Washer Под заказ -
26
009082200 Hex nut Под заказ -
27
009086200 Hex nut-low form Под заказ -
28
009199640 Male connector Под заказ -
29
009199650 Angle lug Под заказ -
30
009198750 High pressure hose line Под заказ -
31
009199680 T connector Под заказ -
32
200239110 Hydraulic line-incl. nozzle disc cap, cutting ring Под заказ -
33
900000480 Male connector Под заказ -
34
009199610 Cutting ring Под заказ -
35
009210461 Cutting ring Под заказ -
36
009199620 Nozzle disc cap Под заказ -
37
009212060 Nozzle disc cap Под заказ -
38
009010421 Hex head bolt Под заказ -
39
009099081 Detent edged washer Под заказ -
40
009251340 Cover plate Под заказ -
41
009251660 Tube clamp-2 halves Под заказ -
42
009193020 Connector Под заказ -
43
270006620 Connector f.mini-test equipm. Под заказ -
44
009201010 High pressure hose line Под заказ -
45
009196030 Ball cock Под заказ -
46
002307430 Double nipple Под заказ -
47
009193220 Connector plug Под заказ -
48
009211711 Dust cap-red Под заказ -
49
009199700 Reducer fitting Под заказ -
50
009210671 Angle lug Под заказ -
51
009199181 Male connector Под заказ -
52
200219290 Plate-back left Под заказ -
53
009099091 Detent edged washer Под заказ -
54
009006340 Hex head bolt Под заказ -
55
200240500 Guard plate-left front Под заказ -
56
009105061 Washer Под заказ -
57
009006550 Hex head bolt Под заказ -
58
009006160 Hex head bolt Под заказ -
59
200219400 Plate-inside left Под заказ -
60
009240210 Tube clip Под заказ -
61
200223770 Cover Под заказ -
62
009251110 Edge protection-Id.-no.= 1m Под заказ -
63
200219390 Plate-inside right Под заказ -
64
200219220 Guard plate-right front Под заказ -
65
200223710 Guard-back right Под заказ -
66
009196640 Hand lever-incl. screw, washer Под заказ -
67
200239000 Hydraulic line-incl. nozzle disc cap, cutting ring Под заказ -
68
009210791 Adjustable L connection Под заказ -
69
009208680 Connector f.mini-test equipm. Под заказ -
70
009160142 Pin Под заказ -
71
009014100 Hex head bolt Под заказ -
72
009103511 Washer Под заказ -
73
009251360 Cover plate Под заказ -
74
009251570 Tube clamp-2 halves Под заказ -
75
009087041 Locknut Под заказ -
76
009211222 Ball cock Под заказ -
77
200238990 Hydraulic line-incl. nozzle disc cap, cutting ring Под заказ -
78
200241370 Cover-cam lobe motor-3-stepped Под заказ -
Содержащиеся в справочниках-каталогах запасные части и детали не предлагаются к продаже, а носят исключительно информационный характер


Наши преимущества