Каталог запасных частей к технике: Lemken EurOpal 7X. Depth wheel D20x200/120 E7 555lg

Depth wheel D20x200/120 E7 555lg

zoom-in zoom-out enlarge shrink circle-right circle-left file-text2 info cart
1
2
3
4
4
4
5
5
5
6
7
7
8
8
9
10
11
12
12
13
13
14
15
15
15
16
16
17
18
19
19
20
21
22
23
23
24
25
26
27
28
29
30
31
32
33
34
35
36
37
38
39
40
41
42
43
44
45
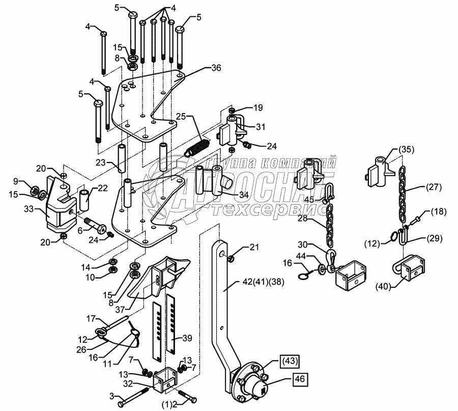
Изображение Артикул товара Наименование Наличие Единица измерения Количество Цена Корзина
1
301 3389 Bolt Под заказ -
2
301 3391 Bolt Под заказ -
3
301 3461 Bolt Под заказ -
4
301 4118 Bolt Под заказ -
5
301 4523 Bolt Под заказ -
6
301 4604 Bolt Под заказ -
7
303 0972 Nut Под заказ -
8
303 0977 Nut Под заказ -
9
303 0978 Nut Под заказ -
10
303 0990 Nut Под заказ -
11
305 8545 Securing ring Под заказ -
12
305 8551 Securing clip Под заказ -
13
305 9885 Spring ring Под заказ -
14
305 9887 Spring ring Под заказ -
15
305 9888 Spring ring Под заказ -
16
311 9565 Securing pin Под заказ -
17
315 8006 Rivet Под заказ -
18
317 3336 Expansion bush Под заказ -
19
317 3338 Expansion bush Под заказ -
20
317 3394 Expansion bush Под заказ -
21
317 6664 Tube Под заказ -
22
317 6859 Tube Под заказ -
23
323 6348 Grease nipple Под заказ -
24
329 8496 Spring Под заказ -
25
331 6130 Chain Под заказ -
26
331 6242 Chain Под заказ -
27
331 6246 Chain Под заказ -
28
331 8380 Shackle Под заказ -
29
331 9012 Hook Под заказ -
30
448 2598 Holder with pivot Под заказ -
31
448 2599 Holder with pivot Под заказ -
32
448 2601 Cross union Под заказ -
33
448 2605 Stop Под заказ -
34
448 2603 Locking device Под заказ -
35
448 2604 Plate Под заказ -
36
448 2602 stop Под заказ -
37
448 2606 Wheel stalk Под заказ -
38
448 2607 Adjuster plate Под заказ -
39
448 2608 Holder Под заказ -
40
548 2606 Wheel stalk with bearing Под заказ -
41
548 2607 Wheel stalk with bearing Под заказ -
42
549 8892 Bearing Под заказ -
43
305 6162 Washer Под заказ -
44
331 8381 Chain shackle Под заказ -
45
549 8893 Bearing Под заказ -
Содержащиеся в справочниках-каталогах запасные части и детали не предлагаются к продаже, а носят исключительно информационный характер


Наши преимущества