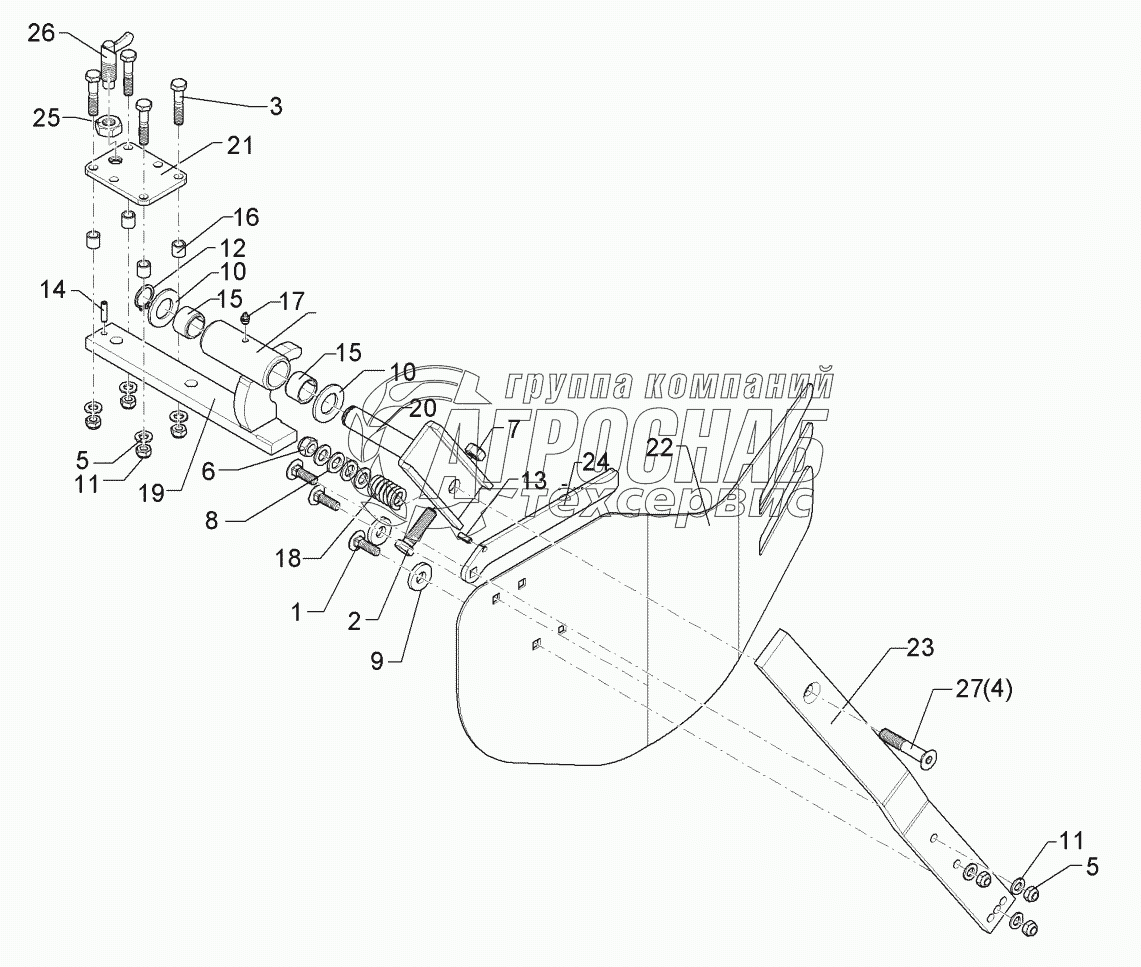
Каталог запасных частей к технике: Lemken Karat 9/600 KA. 65710015 Side shield

65710015 Side shield

zoom-in zoom-out enlarge shrink circle-right circle-left file-text2 info cart
1
2
3
3
4
5
6
7
7
8
9
10
Изображение Артикул товара Наименование Наличие Единица измерения Количество Цена Корзина
1
301 5452 Bolt Под заказ -
2
301 6152 Countersunk bolt Под заказ -
3
303 0934 Selflocking nut Под заказ -
4
303 0935 Selflocking nut Под заказ -
5
303 1015 Nut Под заказ -
6
305 8867 Securing ring Под заказ -
7
317 3422 Expansion bush Под заказ -
8
323 6348 Grease nipple Под заказ -
9
303 0965 Nut Под заказ -
10
321 2601 Locking bar Под заказ -
Содержащиеся в справочниках-каталогах запасные части и детали не предлагаются к продаже, а носят исключительно информационный характер


Наши преимущества