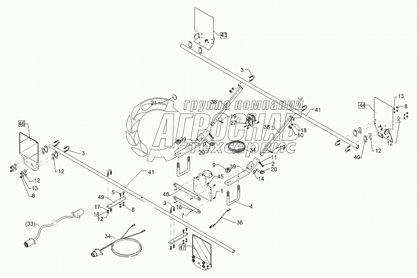
Каталог запасных частей к технике: Lemken Kristall 9/500KA. 67010055 Lighting equipment

67010055 Lighting equipment

zoom-in zoom-out enlarge shrink circle-right circle-left file-text2 info cart
1
2
3
3
3
4
5
6
6
6
7
8
9
10
11
12
12
13
13
14
14
16
16
Изображение Артикул товара Наименование Наличие Единица измерения Количество Цена Корзина
1
301 0301 Flatheaded bolt Под заказ -
2
301 3350 Screw Под заказ -
3
301 7781 U-bolt Под заказ -
4
301 3226 Screw Под заказ -
5
303 0931 Selflocking nut Под заказ -
6
303 0933 Selflocking nut Под заказ -
7
303 0935 Selflocking nut Под заказ -
8
303 1012 Nut Под заказ -
9
303 1013 Nut Под заказ -
10
305 8551 Securing clip Под заказ -
11
305 8571 Washer Под заказ -
12
305 9900 Spring ring Под заказ -
13
309 6054 Expansion bush Под заказ -
14
313 7807 Pin with grip Под заказ -
15
321 9919 Self-adh. reflector, yellow Под заказ -
16
470 1664 Holder Под заказ -
Содержащиеся в справочниках-каталогах запасные части и детали не предлагаются к продаже, а носят исключительно информационный характер


Наши преимущества