Каталог запасных частей к технике: Lemken Quarz 7/500KA. Carrier TPW+ZPW500 Quarz 7

Carrier TPW+ZPW500 Quarz 7

zoom-in zoom-out enlarge shrink circle-right circle-left file-text2 info cart
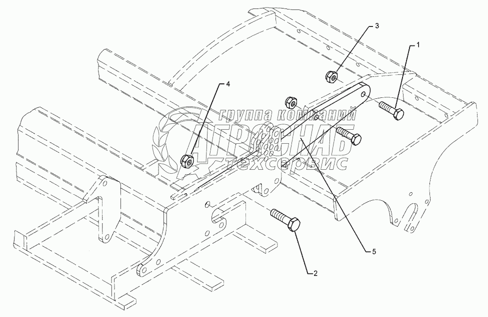
1
2
3
4
5
Изображение Артикул товара Наименование Наличие Единица измерения Количество Цена Корзина
1
301 5385 Bolt Под заказ -
2
301 4601 Bolt Под заказ -
3
303 0935 Selflocking nut Под заказ -
4
303 0936 Selflocking nut Под заказ -
5
422 2893 Carrier Под заказ -
Содержащиеся в справочниках-каталогах запасные части и детали не предлагаются к продаже, а носят исключительно информационный характер


Наши преимущества