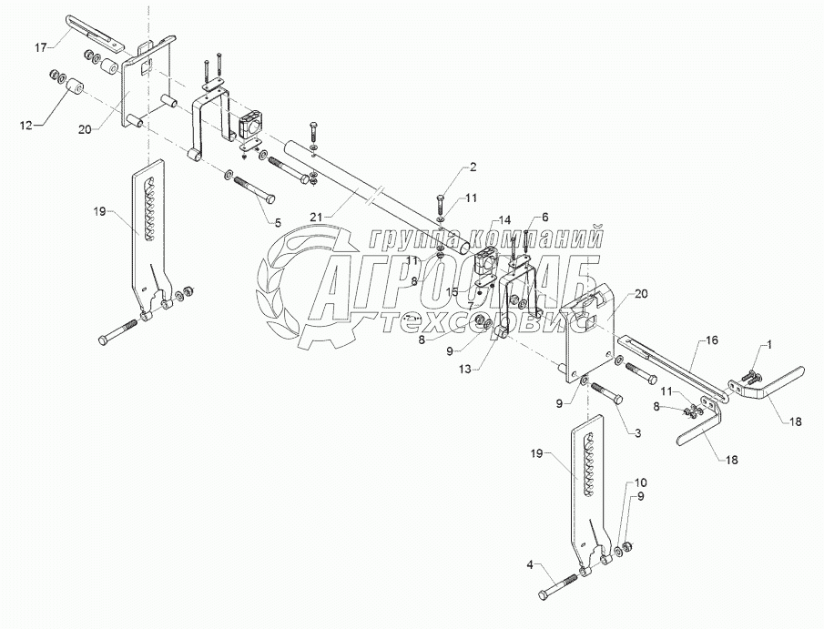
Каталог запасных частей к технике: Lemken Rubin 10/600 KUA. 62210517 Harrow adjustment

62210517 Harrow adjustment

zoom-in zoom-out enlarge shrink circle-right circle-left file-text2 info cart
1
2
3
3
3
4
4
4
5
Изображение Артикул товара Наименование Наличие Единица измерения Количество Цена Корзина
1
301 4057 Bolt Под заказ -
2
303 0931 Selflocking nut Под заказ -
3
303 0933 Selflocking nut Под заказ -
4
303 0935 Selflocking nut Под заказ -
5
317 7504 Bush Под заказ -
Содержащиеся в справочниках-каталогах запасные части и детали не предлагаются к продаже, а носят исключительно информационный характер


Наши преимущества