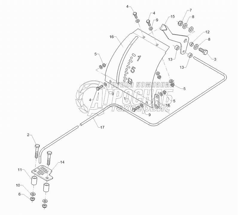
Каталог запасных частей к технике: Lemken Rubin 10/700 KUA. 32110230 Depth indicator

32110230 Depth indicator

zoom-in zoom-out enlarge shrink circle-right circle-left file-text2 info cart
1
2
2
2
3
3
3
4
5
6
6
6
7
Изображение Артикул товара Наименование Наличие Единица измерения Количество Цена Корзина
1
301 3066 Screw Под заказ -
2
301 7280 Screw Под заказ -
3
303 0932 Selflocking nut Под заказ -
4
303 0933 Selflocking nut Под заказ -
5
303 0934 Selflocking nut Под заказ -
6
305 8694 Washer Под заказ -
7
317 6792 Tube Под заказ -
Содержащиеся в справочниках-каталогах запасные части и детали не предлагаются к продаже, а носят исключительно информационный характер


Наши преимущества