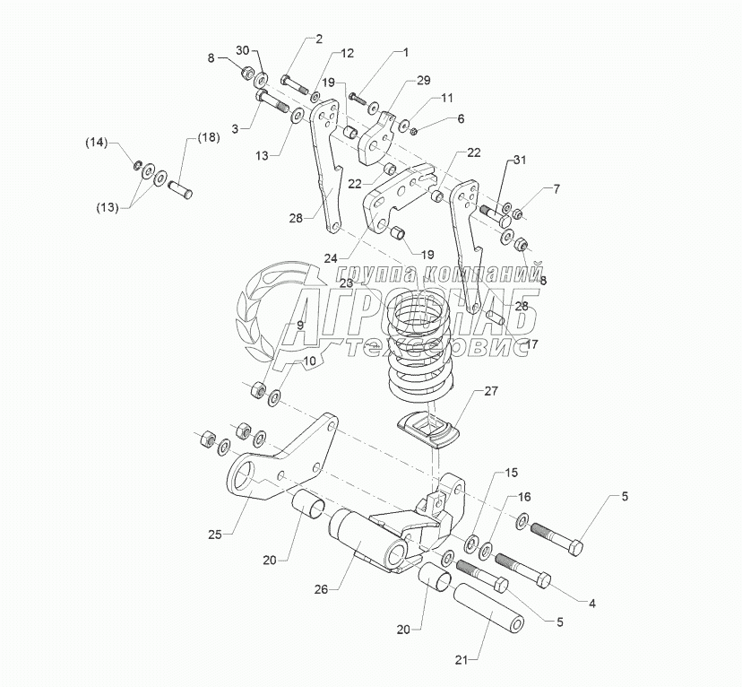
Каталог запасных частей к технике: Lemken Rubin 12/700 KUA. 61210210 Bracket

61210210 Bracket

zoom-in zoom-out enlarge shrink circle-right circle-left file-text2 info cart
1
2
3
4
5
5
Изображение Артикул товара Наименование Наличие Единица измерения Количество Цена Корзина
1
301 3067 Bolt Под заказ -
2
301 3391 Bolt Под заказ -
3
303 0932 Selflocking nut Под заказ -
4
303 0934 Selflocking nut Под заказ -
5
303 0935 Selflocking nut Под заказ -
Содержащиеся в справочниках-каталогах запасные части и детали не предлагаются к продаже, а носят исключительно информационный характер


Наши преимущества